<cite id="5ljlj"></cite>
<menuitem id="5ljlj"></menuitem>
<var id="5ljlj"></var>
<menuitem id="5ljlj"><video id="5ljlj"><thead id="5ljlj"></thead></video></menuitem><var id="5ljlj"><span id="5ljlj"><menuitem id="5ljlj"></menuitem></span></var>
<var id="5ljlj"></var>
<menuitem id="5ljlj"><strike id="5ljlj"><listing id="5ljlj"></listing></strike></menuitem>
<cite id="5ljlj"><video id="5ljlj"><thead id="5ljlj"></thead></video></cite>
<cite id="5ljlj"><video id="5ljlj"><thead id="5ljlj"></thead></video></cite>
<menuitem id="5ljlj"></menuitem>
<cite id="5ljlj"><video id="5ljlj"><thead id="5ljlj"></thead></video></cite><var id="5ljlj"><strike id="5ljlj"></strike></var><var id="5ljlj"><strike id="5ljlj"></strike></var>
<var id="5ljlj"></var>
<var id="5ljlj"><strike id="5ljlj"><listing id="5ljlj"></listing></strike></var>
<ins id="5ljlj"></ins>
當前位置:首頁檢測中心基礎知識 │ 變頻器輸出波形類型

變頻器輸出波形類型

  • 瀏覽次數:19752次
  • 發布時間:2015/8/23 19:20:31
  • 作者:銀河電氣

  變頻器是對交流電整流然后逆變改變其電壓大小和頻率,為交流電機提供工作所需的電壓及頻率的電力控制設備。

  根據輸出電壓波形的類型,常見有二電平變頻器、三電平變頻器,以及還有多電平變頻器。工作原理都是通過控制開關器件的開通和關斷來提供所需的電壓及頻率,工作電壓低于690V的低壓變頻器通常采用二電平的結構,應用于高電壓等級、大容量場合的高壓變頻器通常采用三電平等多電平結構。

二電平變頻器

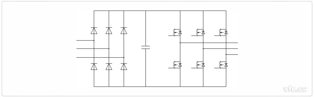
  一般二電平變頻器主電路結構如圖1所示。這種變頻器是在一般電機調速中應用的非常多,主電路也是最為常見的整流—濾波—逆變結構。

 二電平變頻器主電路結構

  圖1 二電平變頻器主電路結構

  二電平變頻器輸出波形如圖二所示。

二電平變頻器輸出波形

  圖2 二電平變頻器輸出波形

  從圖上可以看到,二電平變頻器輸出為0,V兩種電平。V的電壓值等于變頻器內部直流母線的電壓。

三電平變頻器

  應用于高電壓、大功率場合的變頻器,對其內部的開關器件提出了更高的耐壓要求。高壓大電流開關器件普遍價格昂貴,并且開關器件的耐壓水平有限,有些場合并不能找到相應完全適用的器件。傳統的解決辦法是采用開關器件的串并聯來滿足大電壓、大電流的要求,但是這種方式存在諸多的問題,所以如今很少采用這種方式。

  隨著電路拓撲結構的研究,發展出了采用中性點鉗位的多電平變頻器。多電平結構能有效的降低對開關器件的耐壓等級的需求,提高變頻器的輸出電壓等級。

  三電平、四電平等多電平變頻器主電路的區別為開關器件、鉗位二極管或鉗位電容數量的不同,電平數越多,對開關器件耐壓等級的需求越低,但是相應對開關器件數量的需求會越多。

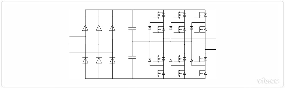
  以三電平變頻器為例,主電路如圖3所示。每一個橋臂有4個開關器件,4個續流二極管和2個鉗位二極管。兩個串聯開關器件的中點通過鉗位二極管和直流側電容的中點相連接,每個開關器件承受的電壓為直流母線電壓的一半。鉗位二極管的作用是在開關器件導通時提供電流通道防止電容短路。

三電平變頻器主電路結構

  圖3 三電平變頻器主電路結構

  三電平變頻器輸出波形如圖4所示。三電平顧名思義就是輸出電壓有三種電平:0,V/2,V。V的電壓值等于變頻器內部直流母線的電壓。

三電平變頻器輸出波形

  圖4 三電平變頻器輸出波形

  多電平的變頻器輸出波形是類似的,隨著電平數的增加,每個開關器件對耐壓水平的需求相對下降,并且每個開關器件的開關頻率也隨著下降,從而使變頻器的損耗減小,提高輸出電壓等級,顯著提高變頻器的性能指標。


Copyright 2010-2017 www.ayxdmy.com, All Rights Reserved 湖南銀河電氣有限公司 版權所有 湘ICP備09002592號-5
中文字幕在线观看