

電流互感器簡稱CT,是依據電磁感應原理構建的一種電量變送器,一般由閉合的鐵芯和繞組組成,串接在測量儀表和保護回路中使用。常見的電流互感器包括普通原副邊抽頭電流互感器、穿心電流互感器、特殊型電流互感器、組合式電壓電流互感器、直流電流互感器等,下面本文主要介紹這幾種電流互感器的結構及原理。
一普通電流互感器結構原理

圖示:普通電流互感器結構原理示意圖
普通原副邊抽頭電流互感器的結構較為簡單,一般由相互絕緣的一次繞組、二次繞組、鐵芯以及構架、殼體、接線端子等組成。其工作原理類似于變壓器,一次繞組的匝數(N1)較少,直接串接在線路中,一次線路電流(I1)通過一次繞組時,產生的交變磁通感應按比例減小的二次電流(I2);二次繞組的匝數(N2)較多,與儀表、繼電器、變送器等電流線圈的二次負荷串聯形成閉合回路(如上圖普通電流互感器結構原理示意圖所示)。
由于一次繞組與二次繞組有相等的安培匝數,I1N1=I2N2,電流互感器額定電流比:I1/I2=N2/N1。電流互感器實際運行中負荷阻抗很小,二次繞組接近于短路狀態,相當于一個短路運行的變壓器。
二穿心電流互感器結構原理

圖示:穿心電流互感器結構原理示意圖
如上圖穿心式電流互感器結構原理圖所示,穿心電流互感器本身結構不設一次繞組,載流導線由L1至L2穿過由硅鋼片搟卷制成的圓形(或其他形狀)鐵芯起一次繞組作用。二次繞組直接均勻地纏繞在圓形鐵心上,與儀表、繼電器、變送器等電流線圈的二次負荷串聯形成閉合回路。
由于穿心式電流互感器不設一次繞組,其變比根據一次繞組穿過互感器鐵心中的匝數確定,穿心匝數越多,變比越小;反之,穿心匝數越少,變比越大,額定電流比:I1/n。
式中:
I1—穿心時一次額定電流
n—穿心匝數
三特殊型電流互感器結構原理
01多抽頭電流互感器
多抽頭電流互感器一次繞組不變,在繞制二次繞組時,增加幾個抽頭,以獲得多個不同變比。它具有一個鐵芯和一個匝數固定的一次繞組,其二次繞組用絕緣銅線繞在套裝于鐵芯上的絕緣筒上,將不同變比的二次繞組抽頭引出,接在接線端子座上,每個抽頭設置各自的接線端子,這樣就形成了多個變比。

圖示:多抽頭電流互感器結構原理示意圖
02多變比電流互感器
多變比電流互感器與多抽頭電流互感器雖然都是通過增加多組副邊繞組以實現不同的變比,但多變比電流互感器的二次繞組分為兩個(或多個)匝數不同、各自獨立的繞組,滿足了同一一次電流情況下不同變比、不同準確度等級的需要。

圖示:多變比電流互感器結構原理圖
03繞組可調電流互感器
繞組可調電流互感器是一種一次繞組可調,二次多繞組的電流互感器。這種電流互感器的特點是變比量程多,而且可以任意變更,多應用于高壓電流互感器。
繞組可調電流互感器的一次繞組分為兩段,分別穿過互感器的鐵芯,二次繞組分為兩個帶抽頭的、不同準確度等級的獨立繞組。一次繞組與裝置在互感器外側的連接片連接,通過變更連接片的位置,使一次繞組形成串聯或并聯接線(如下圖所示一次串聯、并聯結構原理示意圖),因此通過改變一次繞組的匝數,可以獲得不同的變比。帶抽頭的二次繞組本身分為兩個(或多個)不同變比和不同準確度等級的繞組,隨著一次繞組連接片位置的變更,一次繞組匝數相應改變,其變比也隨之改變,這樣就形成了多量程的變比。

圖示:繞組可調電流互感器結構原理圖(一次串聯方式)

圖示:繞組可調電流互感器結構原理圖(一次并聯方式)
四組合式電流電壓傳感器
組合式電流電壓傳感器由電流互感器和電壓互感器組合而成,多用作計量電能或用電設備繼電保護裝置的電源。
組合式電流電壓互感器是將兩臺或三臺電流互感器的一次、二次繞組及鐵芯和電壓互感器的一、二次繞組及鐵芯,固定在鋼體構架上,浸入裝有變壓器油的箱體內,其一、二次繞組出線均引出,接在箱體外的高、低壓瓷瓶上,形成絕緣、封閉的整體。一次側與供電線路連接,二次側與計量裝置或繼電保護裝置連接。根據不同的需要,組合式電流電壓互感器分為V/V接線和Y/Y接線兩種,以計量三相負荷平衡或不平衡時的電能。

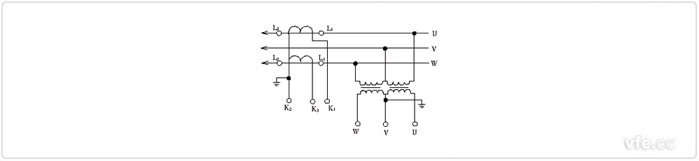
圖示:兩臺電流互感器和電壓互感器V/V接線

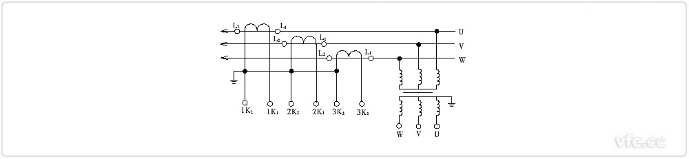
圖示:三臺電流互感器和電壓互感器Y/Y接
五直流電流互感器結構原理
直流電流互感器是用于直流電流量值變換的互感器,它利用鐵芯線圈中鐵心受直流和交流電流共同磁化時的非線性和非對稱性,通過整流電路,將通過線圈的直流大電流按匝數反比變換成直流小電流。主要用于測量直流大電流,也在整流系統中用作電流反饋、控制和保護元件。

圖示:直流電流互感器結構原理示意圖
如上圖所示,圖中A與B是兩個相同但各自獨立的鐵芯。直流大電流I1流過兩個初級繞組(即圖中的穿通導線,相當于初級N1=1匝),兩鐵心上的次級繞組均為N2匝,以相反極性串接,由正弦波交流電源供電。隨著電源電壓極性交替變換,兩鐵芯將輪流處于深飽和與非飽和狀態。在理想條件下,電源電壓U與負載電阻RN上電壓之差,由非飽和鐵芯上的次級繞組承擔,并有N1I1=N2I2或I1/I2=N2/N1(I2為次級電流),即I2和I2與匝數有反比關系。I2經整流后,可用直流電流表讀出,或利用負載電阻RN上的電壓降計算出。