

按照旋轉變壓器的副邊輸出和原邊輸入的關系,可以分為:正余弦旋轉變壓器、線性旋轉變壓器、比例式旋轉變壓器以及特殊函數旋轉變壓器等四類。其中最為常見、應用最為廣的是正余弦旋轉變壓器。
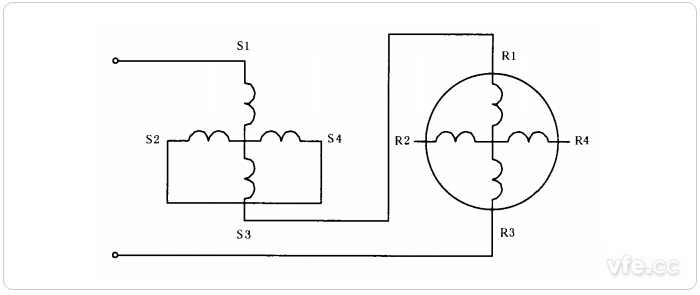
事實上,線性旋轉變壓器是正余弦旋轉變壓器的特殊形式。將正余弦旋轉變壓器的線路進行改接即可實現:一次勵磁繞組S1S3與二次繞組(余弦繞組)R1R3串聯后施加額定勵磁電壓US1R3,將一次側的交軸繞組S2S4短接起原邊補償作用,二次側的正弦繞組R2R4作為輸出,如圖1所示。

圖1 線性旋轉變壓器電氣原理圖
線性旋轉變壓器的輸出繞組方程式:

其中:θ為轉子轉過的角度;K為變壓比。
線性旋轉變壓器要保持輸出電壓與轉子轉角呈線性關系,其變壓比K與轉子轉角θ有著特殊性。
對輸出繞組方程式中K分別取0.14,0.46,0.52,0.67,0.95;輸入勵磁電壓幅值為 5V,θ從-180°到180°變化時,作輸出電壓幅值的變化曲線,如圖2所示。

圖2 θ從-180°到180°時的輸出電壓
從圖上可以看出:變壓比K=0.52至0.67,轉子轉角θ在-60°至60°時,線性旋轉變壓器的輸出電壓與轉子轉角呈線性函數關系。
所以,市面上的線性旋轉變壓器的變壓比,規定的轉子轉動角度,都在這兩個范圍內。