

對電壓的測量是工業生產中最為重要的方面之一,比如:電能在生產、輸送、分配和使用的各個環節中,必須對電能質量、各種電氣設備及電路的運行狀態進行監視、控制和管理,另外也通過對電壓狀態的監視來實現對電力系統的控制和管理。
電壓的測量設備主要有:電磁式電壓互感器、霍爾電壓傳感器、分壓式電壓傳感器以及新型電壓傳感器。
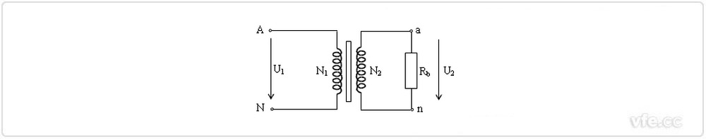
一電磁式電壓互感器
電磁式電壓互感器的原理和變壓器是類似的,由鐵芯、原邊線圈、副邊線圈組成,原邊并聯接入測量線路,當原邊線圈上施加一次電壓U1時,副邊線圈會感應出二次電壓U2。測量儀表對二次電壓U2的測量,即可得到被測線路的電壓U1。
電壓互感器實現了對原邊電壓的隔離測量,但是由于其基于變壓器的原理,存在著許多的明顯缺陷:
1、當原邊需要測量高電壓時,電壓互感器的受到線圈的匝數以及鐵芯大小的制約,體積將會做得非常大。
2、電壓互感器存在電感線圈和鐵芯,所以其頻帶不寬,一般只能用于工頻50Hz或其它額定頻率測量,并且具有諧振、輸出端不能短路等問題。

圖1 電壓互感器原理圖
二霍爾電壓傳感器
霍爾電壓傳感器主要包括初級線圈、磁環、次級線圈、放大電路及與初級線圈串聯的限流電阻R。原邊電壓通過外置或內置電阻,將電流限制在毫安級,此電流經過多匝繞組之后,經過磁環將原邊電流產生的磁場被氣隙中的霍爾元件檢測到,并感應出相應電動勢,該電動勢經過電路調整后反饋給補償線圈進而補償,該補償線圈產生的磁通與原邊電流(被測電壓通過限流電阻產生)產生的磁通大小相等,方向相反,從而在磁芯中保持磁通為零。霍爾電壓傳感器的原理如圖2所示。

圖2 霍爾電壓傳感器原理圖
霍爾電壓傳感器也存在著缺陷:測量電壓等級越高,傳感器的帶寬越窄。例如:某款6400V霍爾電壓傳感器的帶寬僅700Hz,當用于變頻電量測量時,局限性非常大。
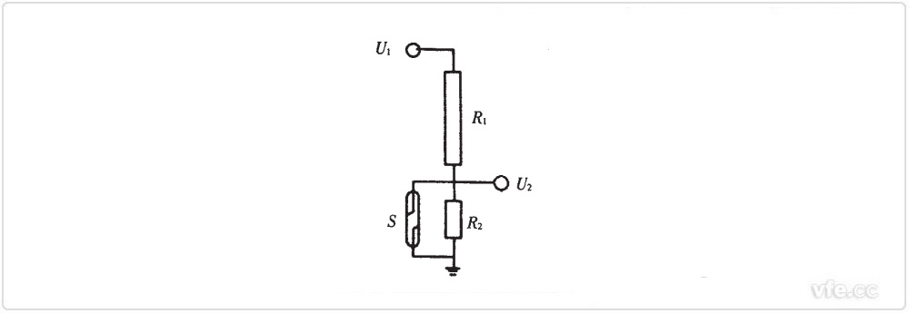
三分壓式電壓傳感器
分壓式電壓傳感器有電阻分壓式和電容分壓式,將初級電壓直接轉化為測量儀表可用的低電壓信號。電阻分壓式由于沒有諧振問題,性能優于電容式分壓器。
電阻分壓式電壓傳感器與電磁式電壓互感器相比,沒有鐵芯磁飽和的缺點,并且允許短路。
分壓器由高壓臂電阻R1和低壓臂電阻R2組成,電壓信號在低壓側測量,為防止低壓部分出現過電壓,保護二次側測量裝置,必須在低壓電阻上加裝一個放電管或穩壓管,使其放電電壓恰好略小于或等于低壓側允許的最大電壓。其中U1為高壓側輸入電壓,U2為低壓側輸出電壓,分壓器原理如圖3所示。

圖3 電阻分壓式電壓傳感器原理圖
電阻分壓式電壓傳感器的缺點:
1、對分壓電阻要求具有穩定的溫度特性、較小的阻值誤差、高的耐壓值。
2、分壓器的高壓電阻與周圍的地電位物體存在電勢差,會產生分壓器對地的雜散電容,造成誤差。需要對高壓端作相應的屏蔽措施。
3、分壓測量模式,高壓側與低壓側沒有隔離,存在安全隱患,需要相應的保護措施。
四新型數字式電壓傳感器
01光纖電壓傳感器
光纖電壓傳感器是基于電光效應,在電場或電壓的作用下透過某些物質(如電光晶體)的光會發生雙折射,而雙折射兩光波之間的相位差與外施電壓(即被測電壓)成正比,通過的鑒相器檢測光波相位差來實現對外電壓的測量。原理如圖4所示。其中,1為光纖,2為起偏器,3為玻片,4為電光晶體,5為檢偏器。

圖4 光纖電壓傳感器原理圖
光功率的波動、溫度的變化對測量都存在不同程度的影響;且傳感器結構復雜,所要求的工藝水平較高,長期運行的可靠性和穩定性也是需要解決的問題。
02組合式電壓電流傳感器
隨著科學技術的發展,出現了將電流、電壓傳感器集于一身的組合式電流電壓傳感器。組合式傳感器結合了現代傳感器技術、數字技術與光纖通信技術,同時采集電流、電壓信號,在傳感器內部完成將模擬量轉換為數字量,通過光纖輸出。其中以銀河電氣SP系列變頻功率傳感器為代表。

圖5 SP變頻功率傳感器原理圖
SP變頻功率傳感器主要包括電壓敏感元件、電流敏感元件、一次轉換電路、隔離工作電源、光電轉換電路及光纖傳輸系統等構成。電壓敏感元件及電流敏感元件接收來自一次線路的高電壓、大電流信號,變換為一次轉換電路可以接受的低電壓、小電流模擬信號,一次轉換電路將模擬信號轉換為數字信號,數字信號經過光電轉換電路通過光纖傳輸系統與數據處理及顯示單元通訊。
隨著變頻調速技術在電機驅動中的應用越來越廣,互感器已經無法應對變頻電量的測量。相對于其它形式的電壓傳感器而言,SP變頻功率傳感器具有寬頻帶、交直流兩用、電磁兼容性強、隔離性能好、測量精度高、性能穩定等優點,成為變頻電量計量的主要測量裝置。
上一篇:熱電偶中間導體定律的證明
下一篇:詳解電動汽車用電機