


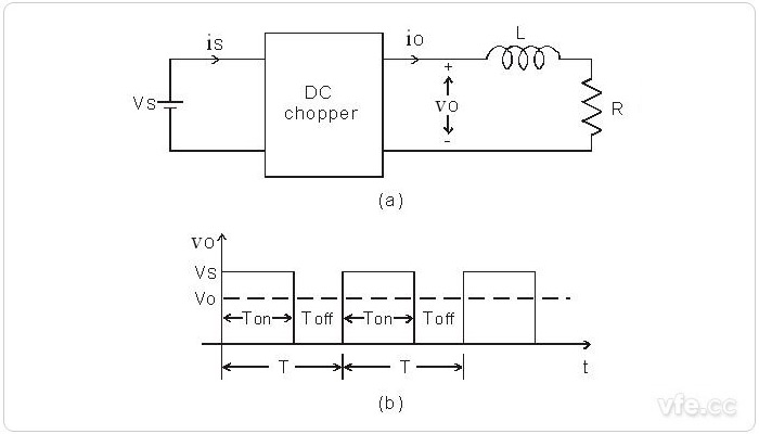
圖1示:斬波器基本原理圖
斬波器是利用功率組件對固定電壓做適當切割以改變輸出電壓,一般指直接將直流電變為另一直流電,不包括直流—交流—直流。若其輸出電壓較輸入之電源電壓低,則稱為降壓式(Buck)直流斬波器;若其輸出電壓較輸入之電源電壓高,則稱為升壓式(Boost)直流斬波器。
如上圖(a)所示為斬波器基本電路圖,圖(b)所示為負載電壓波形,可看出當斬波器導通(Ton)時,負載端之電壓Vo等于電源電壓Vs,當斬波器截止(Toff)時,負載端之電壓Vo為0,如此適當的控制斬波器可使直流電源斷續的出現在負載側,只要控制斬波器的導通時間,即可改變負載的平均電壓。
由圖(b)可看出輸出電壓的峰值等于電源電壓Vs,而輸出電壓的平均值Vo隨Ton的時間而變。而最常見的改變方式有:
1. 周期T固定,導通時間Ton改變,稱脈波寬度調變(Pulse-width Modulation PWM)。
2. 導通時間Ton固定,周期T改變,稱頻率調變(Frequency Modulation FM)。
3. 周期T及導通時間Ton同時改變,即波寬調變及頻率調變混合使用。
在實際應用中,因斬波器常需在負載端接上濾波電感及濾波電容,若頻率改變過大對電感及電容影響大,因此多數采用脈波寬度調變。
按照輸入、輸出電壓的大小區分,斬波器可以分為以下三種形式:
降壓型斬波器――輸出電壓低于輸入電壓,即U0;
升壓型斬波器――輸出電壓高于輸入電壓,即U0>Ui,也稱為Boost型斬波器;
升-降壓型斬波器――輸出電壓即可低于輸入電壓,也可高于輸入電壓,通常由前兩種類型的斬波器串聯組成,也稱為Buck-Boost型、Cuk型斬波器。
按照負載電壓及負載電流極性來區分,可分為下列三種︰
1. 單象限斬波器;
2. 兩象限斬波器;
3. 四象限斬波器。
如圖2(a)所示為單象限斬波器示意圖,其負載電壓及負載電流皆為正;如圖2(b)所示負載電壓為正,負載電流有正有負稱兩象限斬波器;若負載電壓有正有負,負載電流亦有正有負,稱四象限斬波器如圖2(c)所示。可通過改變接線方式,達成上述三種斬波器。

圖示:三種斬波器原理圖
斬波器是一種把一定形式的直流電壓變換成負載所需的直流電壓的變流裝置。它通過周期性地快速開通、關斷,把輸入電壓斬成一系列的脈沖電壓,改變脈沖列的脈沖寬度或頻率可以調節輸出電壓的平均值,因此,斬波器的基本作用是進行直流電壓的變換,即調壓作用。
斬波器除了可以調節直流電壓外,還可以進行調阻和調磁。由斬波器和一個固定電阻相并聯,通過斬波器的斬波作用,可以調節并聯等效電阻的阻值,這一過程稱為調阻。若將斬波器串聯在電機的勵磁回路中,通過斬波作用調節勵磁電流,從而調節電機的磁場大小,這一過程稱為調磁。
因此,斬波器具有調壓、調阻和調磁的作用。
由于斬波器具有調壓、調磁等作用,因此它的應用領域之一是直流電機的調速。直流電機的轉速取決于電樞電壓及磁場的大小,通過斬波器的調壓作用,可以調節電機的電樞電壓,達到調速的目的。另外,通過斬波器的調磁作用,可以調節電機的磁場及勵磁電流,也可以達到調速的目的。直流電機調速在地鐵、城市無軌電車、電動汽車等運輸車輛上得到了廣泛的應用。
斬波器的另一應用領域是直流供電電源。在各種應用場合中,不同用電設備所需要的直流供電電壓的等級不同,采用斬波器可以將單一的、不穩定的直流輸入電壓變換成負載所需要的穩定的、不同電壓等級的直流供電電壓,因為斬波器工作在開關狀態,因此這種類型的直流供電電源也稱為開關電源。開關電源在計算機、通信等各個領域也得到了廣泛的應用。
另外,由于斬波器的工作方式是把輸入直流電壓斬波成為高頻脈沖電壓,將此脈沖電壓通過高頻變壓器隔離后再進行濾波,可以得到與輸入電壓相互隔離的直流輸出電壓,從而使斬波器應用在輸入、輸出之間需要隔離的場合中。
總之,斬波器廣泛應用于直流電機調速、開關電源、直流電壓隔離等各個領域中。