

光電式轉速傳感器對轉速的測量,主要是通過將光線的發射與被測物體的轉動相關聯,再以光敏元件對光線的進行感應來完成的。光電式轉速傳感器從工作方式角度劃分,分為透射式光電轉速傳感器和反射式光電轉速傳感器兩種。

圖示:投射式光電轉速傳感器原理示意圖
投射式光電轉速傳感器設有讀數盤和測量盤,兩者之間存在間隔相同的縫隙。投射式光電轉速傳感器在測量物體轉速時,測量盤會隨著被測物體轉動,光線則隨測量盤轉動不斷經過各條縫隙,并透過縫隙投射到光敏元件上。投射式光電轉速傳感器的光敏元件在接收光線并感知其明暗變化后,即輸出電流脈沖信號。投射式光電轉速傳感器的脈沖信號,通過在一段時間內的計數和計算,就可以獲得被測量對象的轉速狀態。

圖示:反射式光電轉速傳感器原理示意圖
反射式光電轉速傳感器是通過在被測量轉軸上設定反射記號,而后獲得光線反射信號來完成物體轉速測量的。反射式光電轉速傳感器的光源會對被測轉軸發出光線,光線透過透鏡和半透膜入射到被測轉軸上,而當被測轉軸轉動時,反射記號對光線的反射率就會發生變化。
反射式光電轉速傳感器內裝有光敏元件,當轉軸轉動反射率增大時,反射光線會通過透鏡投射到光敏元件上,反射式光電轉速傳感器即可發出一個脈沖信號,而當反射光線隨轉軸轉動到另一位置時,反射率變小光線變弱,光敏元件無法感應,即不會發出脈沖信號。

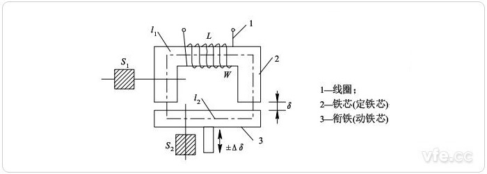
圖示:變磁阻式傳感器原理示意圖
變磁阻式轉速傳感器屬于變磁阻式傳感器,它是利用線圈自感量的變化來實現測量的,它由線圈、鐵芯和銜鐵三部分組成。鐵芯和銜鐵由導磁材料如硅鋼片或坡莫合金制成,在鐵芯和銜鐵之間有氣隙,傳感器的運動部分與銜鐵相連。當被測量變化時,使銜鐵產生位移,引起磁路中磁阻變化,從而導致電感線圈的電感量變化,因此只要能測出這種電感量的變化,就能確定銜鐵位移量的大小和方向。
變磁阻式傳感器的三種基本類型,電感式傳感器、變壓器式傳感器和電渦流式傳感器都可制成轉速傳感器。電感式轉速傳感器應用較廣,它利用磁通變化而產生感應電勢,其電勢大小取決于磁通變化的速率。這類傳感器按結構不同又分為開磁路式和閉磁路式兩種。開磁路式轉速傳感器結構比較簡單,輸出信號較小,不宜在振動劇烈的場合使用。閉磁路式轉速傳感器由裝在轉軸上的外齒輪、內齒輪、線圈和永久磁鐵構成,內、外齒輪有相同的齒數。當轉軸連接到被測軸上一起轉動時,由于內、外齒輪的相對運動,產生磁阻變化,在線圈中產生交流感應電勢。測出電勢的大小便可測出相應轉速值。
電容式轉速傳感器屬于電容式傳感器,有面積變化型和介質變化型兩種。

圖示:變面積型電容式轉速傳感器原理示意圖
如上圖所示是面積變化型的原理,圖中齒輪外沿面作為電容器的動極板,當電容器定極板與齒頂相對時,電容量最大,而與齒隙相對時,電容量最小。因此,電容量的變化頻率應與齒輪的轉頻成正比。

圖示:介質變化型電容式轉速傳感器原理示意圖
如上圖所示,介質變化型是在電容器的兩個固定電極板之間嵌入一塊高介電常數的可動板而構成的。可動介質板與轉動軸相連,隨著轉動軸的旋轉,電容器板間的介電常數發生周期性變化而引起電容量的周期性變化,其速率等于轉動軸的轉速。
圖中電容式轉速傳感器由兩塊固定金屬板和與轉動軸相連的可動金屬板構成。如圖中所示可動金屬板處于電容量最大的位置,當轉動軸旋轉180°時則處于電容量最小的位置,電容量的周期變化速率即為轉速。可通過直流激勵、交流激勵和用可變電容構成振蕩器的振蕩槽路等方式得到轉速的測量信號。
霍爾轉速傳感器的主要工作原理是霍爾效應,也就是當轉動的金屬部件通過霍爾傳感器的磁場時會引起電勢的變化,通過對電勢的測量就可以得到被測量對象的轉速值。霍爾轉速傳感器的主要組成部分是傳感頭和齒圈,而傳感頭又是由霍爾元件、永磁體和電子電路組成的。

圖示:霍爾轉速傳感器原理示意圖
霍爾轉速傳感器在測量機械設備的轉速時,被測量機械的金屬齒輪、齒條等運動部件會經過傳感器的前端,引起磁場的相應變化,當運動部件穿過霍爾元件產生磁力線較為分散的區域時,磁場相對較弱,而穿過產生磁力線較為集中的區域時,磁場就相對較強。霍爾轉速傳感器就是通過磁力線密度的變化,在磁力線穿過傳感器上的感應元件時,產生霍爾電勢。霍爾轉速傳感器的霍爾元件在產生霍爾電勢后,會將其轉換為交變電信號,最后傳感器的內置電路會將信號調整和放大,輸出矩形脈沖信號。
霍爾轉速傳感器的測量必須配合磁場的變化,因此在霍爾轉速傳感器測量非鐵磁材質的設備時,需要事先在旋轉物體上安裝專門的磁鐵物質,用以改變傳感器周圍的磁場,這樣霍爾轉速傳感器才能準確的捕捉到物質的運動狀態。霍爾轉速傳感器主要應用于齒輪、齒條、凸輪和特質凹凸面等設備的運動轉速測量。高轉速磁敏電阻轉速傳感器除了可以測量轉速以外,還可以測量物體的位移、周期、頻率、扭矩、機械傳動狀態和測量運行狀態等。霍爾轉速傳感器目前在工業生產中的應用很是廣泛,例如電力、汽車、航空、紡織和石化等領域,都采用霍爾轉速傳感器來測量和監控機械設備的轉速狀態,并以此來實施自動化管理與控制。
測速發電機是一種檢測機械轉速的電磁裝置,它能把機械轉速變換成電壓信號,其輸出電壓與輸入的轉速成正比關系,在自動控制系統和計算裝置中通常作為測速元件、校正元件、解算元件和角加速度信號元件等。常見的測速發電機有直流測速發電機、空心杯轉子異步測速發電機、籠式轉子異步測速發電機和同步測速發電機幾種,尤其是空心杯轉子異步測速發電機是目前最為廣泛應用的測速發電機,下面對空心杯轉子異步測速發電機測速原理介紹。

圖示:空心杯異步測速發電機原理示意圖
空心杯轉子可以看成一個鼠籠導條數目很多的鼠籠轉子。當電機的勵磁繞組加上頻率為?的交流電壓Uf,則在勵磁繞組中就會有電流If通過,并在內外定子間的氣隙中產生脈振磁場。脈振的頻率與電源頻率?相同,脈振磁場的軸線與勵磁繞組Wf的軸線一致。
當轉子靜止(n=0)時,轉子杯導條與脈振磁通Φd相匝鏈,并產生感應電動勢。這時勵磁繞組與轉子杯之間的電磁耦合情況和變壓器一次側和二次側的情況完全一樣。因此,脈振磁場在勵磁繞組和轉子杯中分別產生的感應電動勢稱為變壓器電動勢。
若忽略勵磁繞組Wf的電阻R1及漏抗X1,則根據變壓器的電壓平衡方程式,電源電壓Uf與勵磁繞組中的感應電動勢Ef相平衡,電源電壓的大小近似地等于感應電動勢的大小,即

又因為Ef∝Φd,故:

所以電源電壓Uf一定時,磁通Φd也基本保持不變。由于輸出繞組的軸線與勵磁繞組的軸線相差90°電角度。因此,磁通Φd與輸出繞組無匝鏈,不會在輸出繞組中產生感應電動勢,輸出電壓U2為零。
當轉子以轉速n轉動時,轉子杯中除了上述變壓器電動勢外,轉子杯導條切割磁通Φd而產生切割電動勢Er(或稱旋轉電動勢)。電于磁通Φd為脈振磁通,所以電動勢Er亦為交變電動勢。其交變的頻率為磁通Φd的脈振頻率?。它的大小為

式中:C2為電動勢比例常數。
若磁通Φ&d的幅值為恒定時,則電動勢Er與轉子的轉速n成正比關系。 由于轉子杯為短路繞組,電動勢Er在轉子杯中產生短路電流Ir,電流Ir也是頻率為?的交變電流,其大小正比于電動勢Er。若忽略轉子杯中漏抗的影響,電流Ir在時間相位上與轉子杯電動勢Er同相位,即在任一瞬時,轉子杯中的電流方向與電動勢方向一致。
當然,轉子杯中的電流rIr也要產生脈振磁通Φq,其脈振頻率仍為?,而大小則正比于電流Ir,即

無論轉速如何,由于轉子杯上半周導體的電流方向與下半周導體的電流方向總相反,而轉子導條沿著圓周又是均勻分布的。因此,轉子杯中的電流Ir產生的脈振磁通Φq在空間的方向總是與磁通Φd垂直,而與輸出繞組W2的軸線方向一致。Φq將在輸出繞組中感應出頻率為?的電動勢E2,從而產生測速發電機的輸出電壓U2,它的大小正比與Φq,即

因此,當測速發電機勵磁繞組加上電壓Uf,電機以轉速n旋轉時,測速發電機的輸出繞組將產生輸出電壓U2。它的頻率和電源頻率?相同,與轉速n的大小無關;輸出電壓的大小與轉速n成正比。當電機反轉時,由于轉子杯中的電動勢、電流及其產生的磁通的相位都與原來相反,因而輸出電壓U2的相位也與原來相反。這樣,異步測速發電機就可以很好地將轉速信號變換成電壓信號,實現測速的目的。
旋轉變壓器(resolver/transformer)是一種電磁式傳感器,又稱同步分解器。它是一種角度或速度測量的信號電機,由定子和轉子組成,其中定子繞組作為變壓器的原邊,接受勵磁電壓,勵磁頻率通常用400、3000及5000HZ等;轉子繞組作為變壓器的副邊,通過電磁耦合得到感應電壓。
旋轉變壓器的工作原理和普通變壓器基本相似,區別在于普通變壓器的原邊、副邊繞組是相對固定的,所以輸出電壓和輸入電壓之比是常數,而旋轉變壓器的原邊、副邊繞組則隨轉子的角位移發生相對位置的改變,因而其輸出電壓的大小隨轉子角位移而發生變化,輸出繞組的電壓幅值與轉子轉角成正弦、余弦函數關系,或保持某一比例關系,或在一定轉角范圍內與轉角成線性關系。旋轉變壓器在同步隨動系統及數字隨動系統中可用于傳遞轉角或電信號;在解算裝置中可作為函數的解算之用,故也稱為解算器。
旋轉變壓器一般有兩極繞組和四極繞組兩種結構形式。兩極繞組旋轉變壓器的定子和轉子各有一對磁極,四極繞組則各有兩對磁極,主要用于高精度的檢測系統。除此之外,還有多極式旋轉變壓器,用于高精度絕對式檢測系統。
湖南銀河電氣有限公司開展了采用感應法測量電潛泵機組轉速新方法的研究,并成功研制了DM4022感應式轉速計。經過多次對比試驗,新研制的測速系統的轉速測量精度可達到0.1%,這套系統的研制成功,為電潛泵機組的測速提供了最為準確和可行的方法。
DM4022感應式轉速計的設計思路為:異步電動機的轉子在旋轉磁場中由切割磁力線產生感應電流的頻率,是電動機轉子頻率和電動機定子電壓頻率的差頻。此差頻乘以60就得到異步電動機的轉差,由電網頻率也乘以60得到電動機的同步轉速,由同步轉速減去轉差就得到了電動機的異步轉速。
以工頻潛水泵機組為例,感應式傳感器感應的差頻即為電潛泵電動機的轉子電流頻率,當電動機不旋轉時,其轉子產生的感應電流的頻率就是電動機轉子頻率和電動機定子電壓頻率的差頻,即50Hz,再乘以60,得到異步電動機的轉差為3000r/min,電網頻率50Hz乘以60得到電動機的同步轉速,3000r/min減去轉差3000r/min,就得到了電動機的轉速0r/min,表明潛水泵電動機不旋轉。

圖示:新型感應式轉速計應用示意圖
轉速傳感器的種類繁多、應用極廣,自動控制系統和自動化儀表中大量使用各種電機,在各種場合下對低速(如每小時一轉以下)、高速(如每分鐘數十萬轉)、穩速(如誤差僅為萬分之幾)和瞬時速度的精確測量有嚴格的要求,都需要應用到轉速傳感器測量。