<cite id="5ljlj"></cite>
<menuitem id="5ljlj"></menuitem>
<var id="5ljlj"></var>
<menuitem id="5ljlj"><video id="5ljlj"><thead id="5ljlj"></thead></video></menuitem><var id="5ljlj"><span id="5ljlj"><menuitem id="5ljlj"></menuitem></span></var>
<var id="5ljlj"></var>
<menuitem id="5ljlj"><strike id="5ljlj"><listing id="5ljlj"></listing></strike></menuitem>
<cite id="5ljlj"><video id="5ljlj"><thead id="5ljlj"></thead></video></cite>
<cite id="5ljlj"><video id="5ljlj"><thead id="5ljlj"></thead></video></cite>
<menuitem id="5ljlj"></menuitem>
<cite id="5ljlj"><video id="5ljlj"><thead id="5ljlj"></thead></video></cite><var id="5ljlj"><strike id="5ljlj"></strike></var><var id="5ljlj"><strike id="5ljlj"></strike></var>
<var id="5ljlj"></var>
<var id="5ljlj"><strike id="5ljlj"><listing id="5ljlj"></listing></strike></var>
<ins id="5ljlj"></ins>
當前位置:首頁檢測中心基礎知識 │ 數字多用表交流參數檢定

數字多用表交流參數檢定

  • 瀏覽次數:3253次
  • 發布時間:2016/10/4 15:43:12
  • 作者:ly_yinhe

  數字多用表一般是指具有直流電壓、直流電流、直流電阻、交流電壓、交流電流等測量功能的測量儀表,在日常的生產生活當中非常常見。在前面的文章中我們介紹過數字多用表直流參數的檢定,下面本文主要對數字多用表交流參數檢定進行介紹。

數字多用表交流電壓的檢定

對數字多用表中交流電壓功能的檢定可以采用下列方法:
  1)比較法;
  2)熱電比較法;
  3)交流標準源法。
檢定點選取規則:
  1)基本量程選5~10個檢定點(頻率為50Hz或60Hz),其他量程取3個點;
  2)為保證量程范圍內的連續性,一般滿量程附近和1/10量程作為檢定點;
  3)基本量程中檢定點選擇應在整個量程中均勻分布,在非基本量程中還要注意對應于基本量程最大誤差的那些點或均勻地選取;
  4)頻率響應為40Hz、400Hz、1kHz、10KHz的頻率接近滿量程的點。

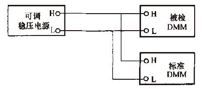
01數字多用表交流電壓的檢定比較法

  用比較法檢定數字多用表中交流電壓功能的接線如圖1所示。

圖1:比較法檢定接線
  該方法是把被檢表和標準交流電壓表并聯接到交流電壓源上。
  若標準表的示值為UN(即實際值),被檢表的顯示值為UX,則絕對誤差為:

  相對誤差:

  在比較法中,標準表應比被檢表多一位,并盡量選取與被檢表的量程一致,如果量程不一致則應計算出實際測量點上標準表的允許誤差。交流源應具有足夠的穩定度,且能連續可調。穩定度應為被檢表允許誤差的1/5~1/10,調節細度應為被檢表允許誤差的1/10。

02數字多用表交流電壓的檢定熱電比較法

  熱電比較法的接線如圖2所示。

圖2:熱電比較法接線
  熱電比較法是通過對熱電式交直流轉換標準先加入交流電壓,而后加入直流標準電壓,并調節輸入的直流電壓使其與交流電壓所產生相等的熱電動勢。這是直流標準電壓源的指示燈UN就等于交流電壓的有效值,如果被檢表的指示值UX,則絕對誤差為:


相對誤差為:

  用熱電比較法檢定數字多用表的交流電壓其檢定裝置的誤差主要來源于交直流熱電轉換器誤差。

03數字多用表交流電壓的檢定交流標準源法

  交流標準源法檢定數字多用表交流電壓功能的接線如圖3所示。

圖3:交流標準源法接線
  若標準源的輸出值為UN,被檢表的指示值為UX,則絕對誤差如下:


  用交流標準源法檢定數字多用表中電壓誤差的方法中,交流標準源的輸出誤差是標準裝置的主要誤差源。

數字多用表交流電流的檢定

  檢定數字多用表中交流電流功能的誤差可以采用下列方法:
  1)交流標準電流源法;
  2)比較法(標準交流數字電流表法);
  3)熱電比較法。
檢定點選取:
  基本量程應均勻地選取5個~10個檢定點(頻率為50Hz或60Hz),其他量程取3個檢定點。

01交流標準電流源法

  交流標準電流源法的檢定接線如圖4所示。

圖4:交流標準電流源法接線
  設交流標準電流源輸出的實際值為IN,被檢表示值為IX,則絕對誤差為:

相對誤差可表示為:

  用這種方法檢定數字多用表中的交流電流,其裝置的誤差主要來源于交流標準電流源的輸出誤差。

02比較法(標準交流數字電流表法)

  比較法檢定的接線如圖5所示。

圖5:比較法檢定接線
  設標準交流數字電流表的示值(實際值)為IN,被檢表示值為IX,則被檢表的絕對誤差為:
相對誤差如下:

02熱電比較法

  熱電比較法的接線如圖6所示。

圖6:熱電比較法
  熱電比較法是通過對熱電比較儀轉換標準先加入一交流電流信號,此信號也同時加到被校電流表上,而后在熱電比較儀上加入一直流標準電流,調節直流標準電流值使其與交流電流所產生的熱電勢(熱電比較儀的輸出)相等。這時直流標準電流源的指示值IN就等于交流電流的有效值,如果被檢表的指標值IX,則絕對誤差為:


  用熱電比較法檢定數字多用表的交流電流誤差其檢定裝置的誤差主要來源于交直流熱電轉換器的轉換誤差。

Copyright 2010-2017 www.ayxdmy.com, All Rights Reserved 湖南銀河電氣有限公司 版權所有 湘ICP備09002592號-5
中文字幕在线观看