


ω:角頻率,單位rad/s;
C:電容,單位F。
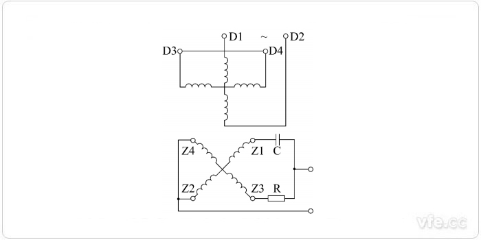
感應移相器構成在實質上與旋轉變壓器沒有差別,僅是旋轉變壓器的一種特殊用法。感應移相器就是將正余弦輸出繞組分別接入一個移相電阻R和一個移相電容C后并聯輸出,并使電阻阻值R和電容容抗 XC 相等,即式1所示。感應移相器電氣原理圖如圖1所示。

圖1:感應移相器電氣原理圖
如圖1所示,只要所有的正余弦旋轉變壓器(有限轉角除外),按照圖1所示接入R和 C,并使R=1/ωC,就可以當做移相器進行使用。這時,正余弦旋轉變壓器的輸出電壓不再是轉子轉角的正余弦函數,而是恒等于1/ 正余弦函數的最大輸出值,同時輸出相位移與轉子轉角成線性函數關系。對于專用的感應移相器一般工作電壓較低、頻率較高。這樣,感應移相器不但可獲得高分辨力[移相誤差(相位角對應機械角的誤差)為度分級],而且可縮小體積。
感應移相器的主要技術指標是移相誤差和幅值誤差。
◆ 移相誤差是保證伺服系統測距、測位精準度的關鍵;
◆ 幅值誤差(幅值的穩定度)又會影響移相誤差。
因此,感應式移相器在實際應用時一定要精調移相參數,以保證幅值誤差在規定范圍內。另外,還要做好感應移相器的零位標記(即相位零位的參考點),供用戶安裝、使用時參考。
根據感應移相器技術資料中提供的移相參數R和C只是一個參考值。這是因為R= 1/ωC會受到感應移相器自身繞組等效電阻、電抗及一些分布參數的影響,所以還需要在實際使用中對R和C進行精調,只有這樣,才能將移相參數調到最佳,移相精度也才會達到最高。調校精調感應移相器最佳移相參數的主要方法如下:
已知移相參數是指在產品樣本或從產品技術規格參數中查到該感應移相器的移相參數參考值。粗調時,根據所查到的參考值C的大小,先選定電容器,電阻則采用10 kΩ、100Ω兩只多圈電位器串聯,一只用作粗調,一只用作精調。因為電容器電容量的實際值與標稱值存在誤差,且不可平滑細調,所以常采用固定電容,調電阻的辦法。調整時,感應移相器按圖1接線并通電,緩慢轉動轉子,觀察一周內感應移相器輸出電壓最大點和最小點的電壓讀數,然后調節粗調電位器,使最大輸出點電壓降低(或最小輸出點電壓升高)到輸出電壓最大、最小讀數的平均值。如此反復多次調節后,再調節精調電位器,使一周內最大輸出點電壓降低到最大、最小電壓的平均值。
當觀察到轉子轉動一周,輸出電壓基本恒定不變,幅值誤差(最大、最小電壓變化值與平均值之比的百分數)滿足技術要求時,R和C的值即為最佳。實際應用時,再用固定電阻替換掉電位器。
對于未知移相參數感應移相器的精調調整方法完全與已知移相參數感應式移相器一致,只是涉及到如何選擇電阻和電容器的問題。
按照已知移相參數感應移相器中所述的定電容調電阻的方法,在這里應先選擇一個適當容量的電容器,再按R= 1/ωC計算出R的參考值,便可進行調節。一般來說,較低頻率(幾千赫以下))的感應移相器,C應選擇大些;較高頻率(幾十千赫以上)的感應移相器,C應選擇小些。感應移相器頻率 f(因ω= 2πf)、C 都與容抗成反比,若將低頻感應移相器的電容參數選得太小,則容抗就會變得很大,R的參考值也會變得很大,由此感應移相器輸出阻抗變得很大,感應移相器易受干擾。同理,若將高頻感應移相器的 C選得太大,容抗會變得很小,R的參考值也會變得很小,輸出阻抗變小,移相精度變差。