

根據《GB/T 2900.19-1994 電工術語 高電壓試驗技術和絕緣配合》定義,分壓器是指由高壓臂和低壓臂組成的轉換裝置。被測高電壓作用于整個裝置,輸出電壓從低壓臂引出,高、低壓臂的元件通常為電阻、電容或兩者的組合,而相應的裝置分別稱作電阻分壓器、電容分壓器和阻容分壓器。
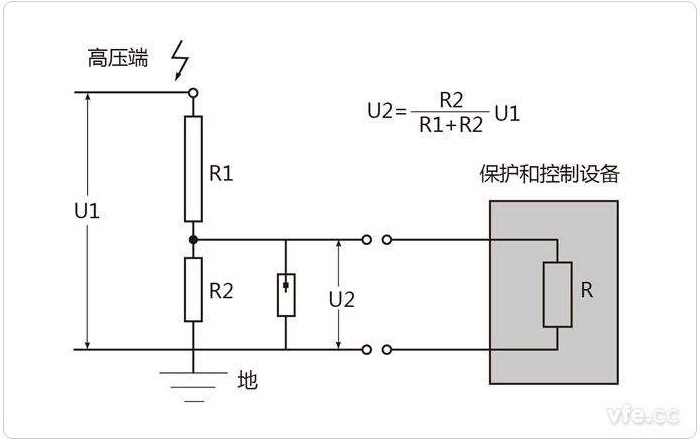
由電阻元件串聯構成的分壓器。 電阻分壓器內部電阻為純電阻,結構簡單,使用方便,測量精度高,穩定性好,被廣泛采用。

電阻分壓器原理圖
電阻電容器采用溫度系數小的電阻絲康銅絲或溫度系數小而且電阻系數高的卡瑪絲繞成時,它的溫度穩定性高,長期穩定性也較高。采用壓縮性的電阻分壓器結構,它的響應特性有可能做得比較高。
電容分壓器因為相對普通電阻式分壓器的耐壓強度大,不易擊穿,一般用來測量交流高壓。但由于其頻響效應的響應時間值比電阻分壓器大,所以在沖擊電壓的測量中比電阻分壓器用的少,對于特高沖擊電壓的測量經常用阻容分壓器。
電容分壓器可分為兩種類型。一種分壓器的高壓臂是由多個高壓電容器疊裝組成,另一種分壓器的高壓臂僅有一個電容。前一種分壓器多半用絕緣殼的油紙絕緣的脈沖電容器來組裝,要求這種電容器的電感比較小,能夠經受短路放電。一個高壓油紙電容器是由多個元件串并聯組裝起來的,每個元件不僅有電容,而且有串聯的固有電感和接觸電阻,還有并聯的絕緣電阻,當然每個元件還有對地雜散電容,這種分壓器應看做分布參數,故名為分布式電容分壓器。后一種分壓器的高壓臂僅一個電容,常為接近均勻電場中的一對金屬電極,它的電極間以空氣為介質,是一個集中電容,故名為集中式電容分壓器。
分布式電容分壓器由多臺脈沖電容器疊裝而成,只有幅值誤差而無波形誤差。至于幅值誤差,只要用一個標準的分壓器校訂以后是完全可以消除的。但在測量陡波時,由于電容分壓器的電容比屏蔽電阻分壓器屏蔽環的雜散電容大得多,因而響應時間也大很多。所以對測陡波來講,電容分壓器的響應特性不如屏蔽電阻分壓器好。單電容分壓器不消耗能量,沒有發熱的麻煩。對測量波前和半峰值時間較長的波,電容分壓器比電阻分壓器較為有利。此外電容分壓器還可兼作為負荷電容供調節波形之用。
集中式電容分壓器的高壓臂可采用充壓縮氣體的標準電容器,這種電容器的電容值很準而且很穩定,介質損耗很小。由于是被屏蔽起來的,電容值不受周圍物體的影響。在工頻測量中,使用得很成功。但用它來做沖擊電容分壓器時,出現了一些問題,即出現疊加高頻振蕩。
阻容分壓器分阻容串聯分壓器和阻容并聯分壓器,是在電阻分壓器和電容分壓器的基礎上進行改脈沖高壓強流測試裝置的研制進而發展來的,其響應性能已經有了很大的改善,是更為優越的分壓器。
阻容串聯分壓器克服了電容回路的剩余電感,抑制了分壓器的振蕩。這種分壓器也稱為阻尼電容分壓器,其響應特性比純電容分壓器更優良。但是,正由于電阻的接入,影響了其響應時間。阻尼電阻太大了會加大響應時間,當分壓器在接入脈沖試驗回路后,也會影響脈沖電壓的形成。若阻尼電阻太小了,又不能完全消除振蕩,而且,當低壓臂只有電容時,也會增大相應的起始上升時間,分壓器的響應特性也不太好,在測量陡波時尤為明顯。
阻容并聯分壓器是在電阻分壓器的基礎上,為了增大分壓器的縱向電容,改善分壓器上的電位分布,減小對地雜散電容的影響,提高分壓器的響應特性而來的。制作良好的阻容并聯分壓器具有幅頻特性好、線性度高等優點。而且阻容并聯分壓器因其測試的頻帶范圍比較大,從直流、工頻到沖擊電壓,基本覆蓋全部試驗電壓的范圍。
上一篇:電動汽車充電機簡介
下一篇:中國電動汽車標準體系