

阻抗測量一般是指電阻、電容、電感及相關的Q值、損耗角、電導等參數的測量。在阻抗測量中,測量環境的變化,信號電壓的大小及其工作頻率的變化等,都將直接影響測量的結果。例如,不同的溫度和濕度,將使阻抗表現為不同的值,過大的信號可能使阻抗元件表現為非線性,特別是在不同的工作頻率下,阻抗表現出的性質會截然相反,因此在阻抗測量中,必須按照實際工作條件(尤其是工作頻率)進行。
阻抗的測量方法主要分為模擬測量法和數字測量法。集總參數元件的測量主要采用電壓-電流法、電橋法和諧振法。依據電橋法制成的測量儀總稱為電橋,電橋主要用來測量低頻元件。Q表是依據諧振法制成的測量儀器,Q表主要用來測量高頻元件。阻抗的數字測量法有自動平衡電橋法;射頻電壓電流法;網絡分析法等。現代的低頻阻抗測量儀器一般都使用自動平衡電橋法。內含微處理器的各種智能化LCR測量儀已成為阻抗測量儀器的發展主流。
阻抗測量有多種方法,必須首先考慮測量的要求和條件,然后選擇最合適的方法,需要考慮的因素包括頻率覆蓋范圍、測量量程、測量精度和操作的方便性。沒有一種方法能包括所有的測量能力,因此在選擇測量方法時需折衷考慮。應在測試頻率范圍內根據它們各自的優缺點選擇正確的測試方法。
電橋法是采用模擬法測量阻抗值,其基本工作原理是四臂電橋電路,電路原理如圖2.47所示。

圖2.47 電橋法測量阻抗原理
圖中Z1,Z2,Z3,Zx為電橋的四臂的阻抗,其中Zx為所要測量的阻抗。整個電橋由信號源供電,G為電橋的平衡指示器。當電橋橋路平衡時,Uab=0,橋臂平衡指示器上無電流流過。電橋的平衡條件為
(2.63)
當橋路中有三個橋臂已知時,待測量阻抗才可以求得。
諧振法也是模擬測量阻抗值得一種方法,是利用調諧回路的諧振特性而建立的阻抗測量方法。測量線路簡單方便,在技術上的困難要比高頻電橋小。它的原理圖如圖2.48所示。

圖2.48 諧振法測量阻抗原理
諧振法測量阻抗的相關公式見式(2.36),(2.37),(2.38)。可以看出測量電路也是由模擬電路構成。
(2.64)
(2.65)
(2.66)
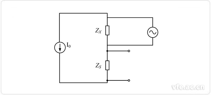
伏安法可用圖2.49的原理電路來說明。

圖2.49 伏安法測量阻抗原理
圖中Io是恒流源,為已知量;Zs是標準電阻,也是已知量(為計算方便一般選為實電阻);被測阻抗Zx與Zs相串聯。分別測出Zx與Zs兩端的矢量電壓Ux和Us,便可通過計算得到待測阻抗,見式(2.67)。
(2.67)
上述測量實際上是先分別測出各個矢量電壓的兩個分量,然后再通過一系列運算得到被測值Zx的數值。顯然,上述測量單純用電子線路來完成是很不方便的。計算機技術進入測量儀器以后,可以充分利用計算機存儲記憶、計算以及靈活的控制功能,方便地獲取Us和Ux的各標量并存入內存,迅速計算其結果,實現快速的自動測量,從而使伏安法這一古典方法獲得了新的生命力。
上述三種的阻抗測量方法各有什么優缺點?
電橋法具有較高的測量精確度,因而被廣泛采用,目前電橋已派生出很多類型。但電橋法需要反復進行調節,測量時間長,因而很難實現快速的自動測量。
諧振法要求有較高頻率的激勵信號,一般不容易滿足高精度測量的要求,且由于測試頻率不固定,測試速度也很難提高。
矢量伏安法是是采用數字測量技術,充分利用計算機的處理能力,進行虛實部的分離的測量,矢量伏安法測量阻抗能夠充分利用數字信號處理的方法,通過對數字芯片進行簡單的硬件連接,用軟件編程的方法進行數字濾波和阻抗值的計算,避免了用模擬電路測量阻抗連接電路繁瑣,抗干擾性差的缺點。
上一篇:常用電流測量技術有哪些?
下一篇:什么是傳感器?