<cite id="5ljlj"></cite>
<menuitem id="5ljlj"></menuitem>
<var id="5ljlj"></var>
<menuitem id="5ljlj"><video id="5ljlj"><thead id="5ljlj"></thead></video></menuitem><var id="5ljlj"><span id="5ljlj"><menuitem id="5ljlj"></menuitem></span></var>
<var id="5ljlj"></var>
<menuitem id="5ljlj"><strike id="5ljlj"><listing id="5ljlj"></listing></strike></menuitem>
<cite id="5ljlj"><video id="5ljlj"><thead id="5ljlj"></thead></video></cite>
<cite id="5ljlj"><video id="5ljlj"><thead id="5ljlj"></thead></video></cite>
<menuitem id="5ljlj"></menuitem>
<cite id="5ljlj"><video id="5ljlj"><thead id="5ljlj"></thead></video></cite><var id="5ljlj"><strike id="5ljlj"></strike></var><var id="5ljlj"><strike id="5ljlj"></strike></var>
<var id="5ljlj"></var>
<var id="5ljlj"><strike id="5ljlj"><listing id="5ljlj"></listing></strike></var>
<ins id="5ljlj"></ins>
當前位置:首頁產品應用 │ DMC300分布式測控系統在開關柜控制中的應用

DMC300分布式測控系統在開關柜控制中的應用

  • 瀏覽次數:6988次
  • 發布時間:2013/9/17 14:40:32
  • 作者:量值溯源

概述

  開關柜的控制在電力配電系統、電機試驗站系統等領域應用非常廣泛,傳統的控制方式采用手動分合閘操作,這對于系統比較簡單、柜體數目較少、安全性能高的場合還比較適用。但對于高壓開關柜的控制,尤其是涉及關聯鎖較多,控制線路復雜的開關柜控制回路來說,就無法采用人工的方式實現智能控制,且容易出現安全問題。

  隨著近年PLC的興起,PLC在控制領域的應用也比較普遍,PLC的應用一般會配備一個PLC控制柜,PLC的所有I/O模塊全部集中于此柜體中,由CPU實現集中控制,被控制開關柜體的控制信號線全部由此柜體引出。因此,PLC控制柜的位置就決定了其他開關控制控制線的長度及走線,且隨著變頻電源的普及,設計線路復雜化,現場電磁環境的日益惡劣,電磁干擾已經嚴重威脅到控制系統的穩定性,模擬線路傳輸的距離越遠,被干擾的可能性越大。

DMC300分布式測控系統

  DMC300分布式測控系統是湖南銀河電氣有限公司專門研制的一款針對于分散式參量測量及控制的系統,該系統由上位機及DM系列分布式測量子站和DC系列I/O測控子站組成,本文主要講述DC系列I/O測控子站在開關柜控制中的應用。

  相比于以往的手動控制方式和PLC控制方式,DMC300分布式測控系統是如何避免以上遇到的問題,實現高智能、高可靠性的控制呢?

  第一:DMC300分布式測控系統采用分散式的安裝,進行分散參量的控制。DC系列I/O測控子站可以直接安裝于被控制柜體內,且根據用戶需求,配備控制及回解節點,極大的縮短了控制信號線的長度。

  第二:采用前端數字化技術,系統實施簡潔、拓展性強、EMC兼容性好。DC系列I/O測控子站在控制端即將傳輸信號轉換為數字信號,然后通過光纖總線傳輸至上位機端,控制子站與子站、子站與上位機之間全部采用光纖傳輸,避免傳輸過程中電磁干擾,總線傳輸方式使得系統功能易拓展,架設及維護方便。

  第三:智能化的上位機軟件。軟件可以根據用戶的需求及系統需要,以人性化的設計,將整個控制系統以模擬圖的方式展示在用戶面前,包含開關的分閘、合閘狀態顯示,相關開關柜進行聯鎖、互鎖等保護操作,使用戶對整個系統的開關配置情況一目了然,增強系統控制的安全性能,真正實現遠程智能化控制。

應用

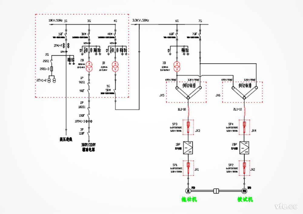
  下面以某6MW永磁直驅風力發電試驗站的開關柜控制系統為例,講述DMC300分布式測控系統的應用情況。整個系統的一次線路原理圖如下所示:

DMC300分布式測控系統在開關柜控制中的應用

DMC300分布式測控系統應用于開關柜控制

  本系統圖中,DMC300分布式測控系統的DC系列I/O測控子站安裝于各個待控制的高低壓開關柜中,由光纖總線連接至試驗控制室內,用戶可以通過控制1P~3P等低壓開關柜的分斷與閉合,遠程實現低壓設備380V配電的目的;通過控制1G~7G等高壓開關柜的分斷與閉合,遠程實現電機試驗系統動力配電的目的。

  用戶無需走出試驗控制室,即可了解整個系統的配電情況,且系統已做安全聯鎖及保護,保證操作人員不會出現誤操作的情況,避免安全事故的發生。

操作界面

  操作界面應客戶需求有所不同,上述試驗系統的操作界面如下所示:

DMC300分布式測控系統在開關柜控制中的應用

DMC300分布式測控系統應用于開關柜測控操作界面

  通過操作界面,用戶只需點擊需要操控的相關模擬開關,即可遠程實現開關柜的分斷與閉合,其中分斷部分以藍色顯示,表示未通電,上電部分以紅色顯示,非常直觀。

 


Copyright 2010-2017 www.ayxdmy.com, All Rights Reserved 湖南銀河電氣有限公司 版權所有 湘ICP備09002592號-5
中文字幕在线观看