

光伏控制器是太陽能光伏發電系統中,能自動防止蓄電池組過充電和過放電并具有簡單測量功能的電子設備。由于蓄電池組被過充電或過放電后將嚴重影響其性能和壽命,充放電控制器在光伏系統中一般是必不可少的。開關器件,可以是繼電器,也可以是MOSFET模塊。但PWM脈寬調制控制器,只能用MOSFET模塊作為開關器件。

光伏控制器
1. 高壓(HVD)斷開和恢復功能:控制器應具有輸入高壓斷開和恢復連接的功能。
2. 欠壓(LVG)告警和恢復功能:當蓄電池電壓降到欠壓告警點時,控制器應能自動發出聲光告警信號。
3. 低壓(LVD)斷開和恢復功能:這種功能可防止蓄電池過放電。通過一種繼電器或電子開關連結負載,可在某給定低壓點自動切斷負載。當電壓升到安全運行范圍時,負載將自動重新接入或要求手動重新接入。有時,采用低壓報警代替自動切斷。
4. 保護功能:
① 防止任何負載短路的電路保護。
② 防止充電控制器內部短路的電路保護。
③ 防止夜間蓄電池通過太陽電池組件反向放電保護。
④ 防止負載、太陽電池組件或蓄電池極性反接的電路保護。
⑤ 在多雷區防止由于雷擊引起的擊穿保護。
5. 溫度補償功能:當蓄電池溫度低于25℃時,蓄電池應要求較高的充電電壓,以便完成充電過程。相反,高于該溫度蓄電池要求充電電壓較低。 通常鉛酸蓄電池的溫度補賞系數為 -5mv /CELL 。
1. 單路并聯型充放電控制器:

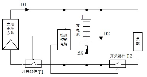
單路并聯型充放電控制器
并聯型充放電控制器充電回路中的開關器件T1是并聯在太陽電池方陣的輸出端,當蓄電池電壓大于“充滿切離電壓”時,開關器件T1導通,同時二極管D1截止,則太陽電池方陣的輸出電流直接通過T1短路泄放,不再對蓄電池進行充電,從而保證蓄電池不會出現過充電,起到“過充電保護”作用。
D1為防“反充電二極管”,只有當太陽電池方陣輸出電壓大于蓄電池電壓時,D1才能導通,反之D1截止,從而保證夜晚或陰雨天氣時不會出現蓄電池向太陽電池方陣反向充電,起到“放反向充電保護”作用。
開關器件T2為蓄電池放電開關,當負載電流大于額定電流出現過載或負載短路時,T2關斷,起到“輸出過載保護”和“輸出短路保護”作用。同時,當蓄電池電壓小于“過放電壓”時,T2也關斷,進行“過放電保護”。
D2為“防反接二極管”,當蓄電池極性接反時,D2導通使蓄電池通過D2短路放電,產生很大電流快速將保險絲BX燒斷,起到“防蓄電池反接保護”作用。
檢測控制電路隨時對蓄電池電壓進行檢測,當電壓大于“充滿切離電壓”時使T1導通進行“過充電保護”; 當電壓小于“過放電壓”時使T2關斷進行“過放電保護”。
2. 串聯型充放電控制器:

串聯型充放電控制器
串聯型充放電控制器和并聯型充放電控制器電路結構相似,唯一區別在于開關器件T1的接法不同,并聯型T1并聯在太陽電池方陣輸出端,而串聯型T1是串聯在充電回路中。當蓄電池電壓大于“充滿切離電壓”時,T1關斷,使太陽電池不再對蓄電池進行充電,起到“過充電保護”作用。
其它元件的作用和串聯型充放電控制器相同。
光伏控制器基本上可分為五種類型:并聯型、串聯型、脈寬調制型、智能型和最大功率跟蹤型。
并聯型控制器
當蓄電池充滿時,利用電子部件把光伏陣列的輸出分流到內部并聯電阻器或功率模塊上去,然后以熱的形式消耗掉。因為這種方式消耗熱能,所以一般用于小型、低功率系統,例如電壓在12伏、20安以內的系統。這類控制器很可靠,沒有如繼電器之類的機械部件。
串聯型控制器
利用機械繼電器控制充電過程,并在夜間切斷光伏陣列。它一般用于較高功率系統,繼電器的容量決定充電控制器的功率等級。比較容易制造連續通電電流在45安以上的串聯控制器。
脈寬調制型控制器:它以PWM脈沖方式開關光伏陣列的輸入。當蓄電池趨向充滿時,脈沖的頻率和時間縮短。按照美國桑地亞國家實驗室的研究,這種充電過程形成較完整的充電狀態,它能增加光伏系統中蓄電池的總循環壽命。智能型控制器
采用帶CPU的單片機(如 Intel公司的MCS51系列或Microchip公司PIC系列)對光伏電源系統的運行參數進行高速實時采集,并按照一定的控制規律由軟件程序對單路或多路光伏陣列進行切離/接通控制。對中、大型光伏電源系統,還可通過單片機的RS232接口配合MODEM調制解調器進行遠距離控制。
最大功率跟蹤型控制器
將太陽電池的電壓U和電流I檢測后相乘得到功率P,然后判斷太陽電池此時的輸出功率是否達到最大,若不在最大功率點運行,則調整脈寬,調制輸出占空比D,改變充電電流,再次進行實時采樣,并作出是否改變占空比的判斷,通過這樣尋優過程可保證太陽電池始終運行在最大功率點,以充分利用太陽電池方陣的輸出能量。同時采用PWM調制方式,使充電電流成為脈沖電流,以減少蓄電池的極化,提高充電效率。
外部鏈接:光伏控制器的電路原理
站內鏈接:銀河百科:光伏發電
站內鏈接:DT數字變送器構建的光伏I-V特性測試儀
上一篇:奈奎斯特頻率
下一篇:寬相位范圍——硬件特點之四