熱電阻測溫原理及其引線方式分析
- 瀏覽次數:15946次
- 發布時間:2013/12/26 9:18:17
- 作者:量值溯源
一、概述
使用
熱電阻來進行溫度的測量相信大家都不會陌生,熱電阻也是中低溫區最常見的一種溫度傳感器,它的主要特點是測量精度高、性能穩定,其中鉑熱電阻的測量精確度是最高的。鉑熱電阻被廣泛應用在工業測量領域。
二、測溫原理
與熱電偶的測溫原理不同的是,熱電阻是基于電阻的熱效應進行溫度測量的,即電阻體的阻值隨溫度的變化而變化的特性。因此,只要測量出感溫熱電阻的阻值變化,就可以測量出溫度。
一般的處理方式是溫度變送器通過給熱電阻施加一已知激勵電流測量其兩端電壓的方法得到電阻值(電壓/電流),再將電阻值轉換成溫度值,從而實現溫度測量。
目前應用最廣泛的熱電阻材料是鉑和銅:鉑電阻精度高,適用于中性和氧化性介質,穩定性好,具有一定的非線性,溫度越高電阻變化率越小;銅電阻在測溫范圍內電阻值和溫度呈線性關系,溫度線數大,適用于無腐蝕介質,超過150易被氧化。中國最常用的有R0=10Ω、R0=100Ω和R0=1000Ω等幾種,它們的分度號分別為Pt10、Pt100、Pt1000;銅電阻有R0=50Ω和R0=100Ω兩種,它們的分度號為Cu50和Cu100。其中Pt100和Cu50的應用最為廣泛。
三、 引線方式
熱電阻是把溫度變化轉換為電阻值變化的一次元件,通常需要把電阻信號通過引線傳遞到計算機控制裝置或者其它一次儀表上。工業用熱電阻一般安裝在現場,與控制室或者測量端之間存在一定的距離,因此熱電阻的引線對測量結果會有較大的影響。目前熱電阻的引線主要有三種方式:二線制、三線制和四線制。
下面分別來介紹這三種引線方式的原理以及差異。
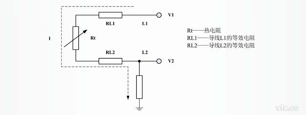
3.1. 二線制引線方式
二線制引線方式是在熱電阻的兩端各鏈接一根導線來引出電阻信號,測量原理示意圖如圖1所示:

圖1.熱電阻二線制引線方式
從圖中可以看到,變送器通過導線L1、L2給熱電阻施加激勵電流I,測得電勢V1、V2,那么由歐姆定律得到:(V1-V2)/I=Rt+RL1+RL2,Rt=(V1-V2)/I-(RL1+RL2)。從公式中我們可以看到,由于連接導線的電阻RL1、RL2無法測得而被計入到熱電阻的電阻值中,使得測量結果產生附加誤差,如在100℃時Pt100熱電阻的熱電阻率為0.379Ω/℃,這時若導線的電阻值為2Ω,則會引起的測量誤差為5.3℃。
這種引線方式的優點是接法簡單,但是由于連接導線必然存在引線電阻,因此這種方式只適用于對溫度測量精度要求較低的場合。
3.2. 三線制引線方式
三線制引線方式是在熱電阻的根部的一端連接一根引線,另一端連接兩根引線。也是實際應用中最常見的接法。具體接線方法如圖2所示:
圖2.熱電阻三線制引線方式
三線制的引線方式增加了一根導線用以補償連接導線的電阻引起的測量誤差,
三線制要求三根導線的材質、線徑、長度一致且工作溫度相同,使三根導線的電阻值相同,即RL1=RL2=RL3。通過導線L1、L2給熱電阻施加激勵電流信號I,測得電勢V1、V2、V3,導線L3接入高輸入阻抗電路,IL3≈0。是那么熱電阻的阻值Rt計算如下:(V1-V2)/I=Rt+RL1+RL2,(V3-V2)/I=RL2,RL1=RL2=RL3,則Rt=(V1-V2)/I-2RL2=(V1+V2-2V3)/I。從公式可以看出,熱電阻值最后與RL(線路電阻)沒有關系,從而也就消除了導線線路電阻帶來的測量誤差。因此工業現場一般都采用三線制的引線方式,具體典型代表產品
有湖南銀河電氣有限公司研制的
DM4032系列溫度測試子站,它的測量通道可以從4通道到16通道,供客戶進行選擇,與上位機的通訊接口采用RS485總線方式,非常適用于集散式的參量測量,布線簡單,系統抗干擾能力強,測量準確,深受廣大使用者的歡迎,目前多用于電機試驗領域。
3.3. 四線制引線方式
四線制的引線方式是在熱電阻的根部兩端各連接兩根導線,其中兩根引線為熱電阻提供衡定電流I,把R轉換成電壓信號U,具體接線方法如圖3所示:
圖3.熱電阻四線制引線方式
四線制可以說是熱電阻測溫理想的接線方式,如上圖所示,變送器通過導線L1、L2給熱電阻施加激勵電流I,測得電勢V3、V4,導線L3、L4接入高輸入阻抗電路,IL3=0,IL4=0,因此V4-V3等于熱電阻兩端電壓。
熱電阻Rt的計算公式:Rt=(V4-V3)/I,可見這種接線方式對于引線沒有等阻值的要求,,且真正意義上完全消除引線電阻對溫度測量的影響,主要適用于高精度的溫度檢測(如建立溫度基準,計量校準等)。
從上面的分析可知,每種引線方式都有每種方式的優缺點,工業現場一般常采用的方式是三線制的引線方式,我們可以根據不同的場合,來選擇不同的熱電阻接線方式。