

自《JJF 1559-2016變頻電量分析儀校準規范》正式頒布開始,變頻電量分析儀有了規范的校準方法,打破之前混亂的計量校準局面,本文根據《JJF 1559-2016變頻電量分析儀校準規范》,對變頻電流分析儀電壓校準方法進行介紹。
根據《JJF 1559-2016變頻電量分析儀校準規范》,電壓的校準方法包括標準源法和標準表法,實際使用時,可以根據情況選擇合適的方法進行實驗。
在變頻電量分析儀電壓量程范圍內(包括量程上限值在內)均勻選取不少于5個電壓校準點,多電壓量程分析儀的各量程不少于2個點,優先選擇滿量程、1/2量程、1/3量程;電壓信號頻率選擇不少于3個點,優先選擇上限頻率、下限頻率和參考頻率或者典型頻率。

圖1 標準源法電壓校準接線圖
變頻電量分析儀電壓校準標準源法接線圖如圖1所示,調節標準源的電壓、頻率輸出至校準點,讀取標準源的電壓輸出值US和被校分析儀電壓顯示值UX,則被校分析儀電壓示值絕對誤差按式(1)計算。
(1)
相對誤差按式(2)計算。
(2)
式中:
——分析儀電壓測量顯示值,V;
——電壓標準值,V。
校準接線如圖3 所示。調節電壓信號源的電壓、頻率輸出至校準點,讀取標準電壓表示值US和被校分析儀示值UX,則被校分析儀電壓示值誤差按式(1)、式(2)進行計算。

圖2 變頻電量分析儀標準表法電壓校準接線圖
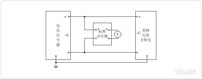
采用分壓器或電壓互感器擴展標準電壓表量程的校準接線如圖4 所示。調節信號源的電壓、頻率輸出至校準點,讀取標準電壓表示值US和被校分析儀電壓示值UX,則被校分析儀電壓示值絕對誤差按式(3)計算。
(3)
相對誤差按式(4)計算。
(4)
式中:
——分析儀電壓測量顯示值,V;
KU ——標準分壓器的分壓比,V/V;
——標準電壓表讀數,V。

圖3 分壓器擴展量程的標準表法電壓校準接線圖
變頻電量分析儀電壓標準源校準法和標準表校準法兩種校準方法完全不同,但是均為國標規定的方法,在計量實驗時,根據實驗室設備或者環境選擇合適的方法 。
上一篇:單模光纖和多模光纖的區別
下一篇:電動汽車絕緣檢測一般方法