

新頒布的《JJF 1559-2016變頻電量分析儀校準規范》規定的變頻電量分析儀功率校準方法包括準源法和標準表法,校準規范中對校準點的選取、電氣圖的接法、誤差的計算等都做了明確規定。
變頻電量分析儀功率校準點按以下選擇進行組合:
1. 電壓在量程范圍內選取不少于5個點(包含量程上限、1/2量程);多量程至少選擇包括最大量程、最小量程在內的3個量程,每量程不少于2個點。
2. 電流在量程范圍內選取不少于5個點(包含量程上限、1/2量程);多量程至少選擇包括最大量程、最小量程在內的3個量程,每量程不少于2個點。
3. 在工作頻率范圍內選取不少于3個點(包含頻率上限、頻率下限、參考頻率或典型頻率)。
4. 功率因數不少于2個點,優先在0.05(L)、0.05(C)、0.2(L)、0.2(C)、1.0中選擇。
5. 校準點也可按照用戶需求進行選擇。
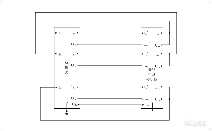
變頻電量分析儀功率校準標準源法單相校準接線與圖1相同,三相校準接線如圖2所示,被校分析儀是三相三線制時,零線(U0S)不連接。

圖1 單相功率標準源法校準接線圖

圖2 標準源法三相功率校準接線圖
按校準點設置標準源的電壓、電流、頻率和功率因數輸出值,讀取標準源的輸出功率PS和被校分析儀的顯示功率PX,分析儀功率示值絕對誤差
按式(1)計算。
(1)
分析儀功率相對誤差
按式(2)計算。
(2)
式中:
PX——被校分析儀的功率示值,W;
PS——功率標準值,W;
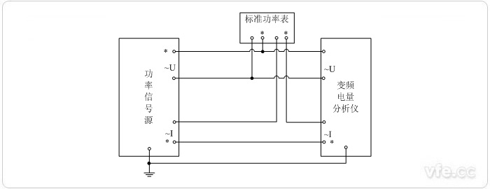
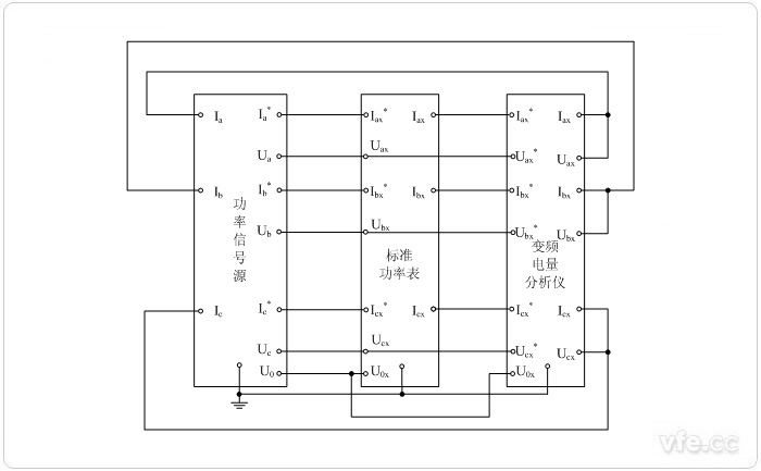
變頻電量分析儀單相功率校準標準表校準接線如圖3所示,三相功率校準標準表校準接線如圖4所示,圖4被校分析儀是三相三線制時,零線(U0S)不連接。

圖3單相功率標準表法功率校準接線圖

圖4 三相功率標準表法功率校準接線圖
按校準點設置標準源的電壓、電流、頻率和功率因數輸出值,讀取標準功率表的示值PS和被校分析儀的功率示值PX,按式(1)、式(2)計算分析儀功率基本誤差。
電壓、電流超出標準功率表的量程時,采用分壓器、分流器擴展標準功率表的量程,校準接線如圖4所示,三相分析儀的功率校準可采用相同的方法進行量程擴展。
按校準點設置功率信號源的電壓、電流和功率因數輸出值,讀取標準功率表的示值PS和被校分析儀的功率示值PX,分析儀功率示值絕對誤差
按式(3)計算。
(3)
相對誤差
按式(4)計算。
(4)
式中:
PX——被校分析儀的功率讀數,W;
KU ——標準分壓器的分壓比,V/V;
KI ——標準分流器的分流比,A/V;
PS——標準功率表讀數,W。

圖5 用分壓器、分流器擴展量程的標準表法單相功率校準接線圖
《JJF 1559-2016變頻電量分析儀校準規范》的正式頒布,明確了變頻功率的校準方法,改變了變頻電量計量無標準可依的混亂局面,為今后變頻電量計量的持續有序的發展提供保障。