

電動機的軸電壓、軸承電流主要是由于環繞電動機軸的磁路不對稱、轉子運轉不同心、感生脈動磁通等原因所產生的,它會使軸—軸承—機座的回路有電流流通,在電動機轉子軸兩端、軸與軸承之間、軸與軸承對地形成稱為軸電壓。根據軸承的種類不同,其耐電壓程度有所不同,若超過軸承所允許的值,會通過油膜放電或者導電,會在軸瓦和軸承處產生點狀微孔,并在底部產生發黑現象。嚴重時會使軸和軸承受到損壞,運行中伴隨著強烈的噪聲及設備外殼帶電等。
因此,必須采取可行監測檢查方法對軸電壓及軸承電流進行檢測,以保證電動機安全、可靠地運行是至關重要的。下面本文根據變頻器供電三相感應電動機試驗方法介紹軸電壓及軸承電流的測定。
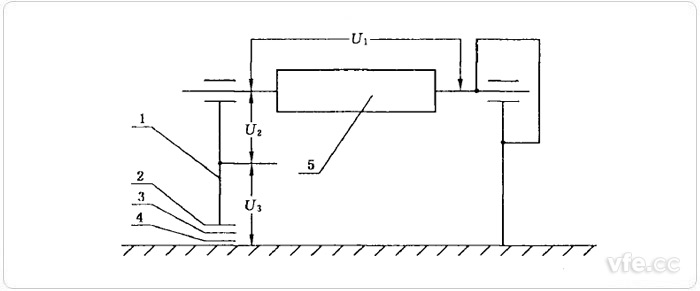
軸電壓測定試驗參照下圖1所示,試驗電源由變頻器供電。試驗前應分別檢查軸承座與金屬墊片與金屬底座間的絕緣電阻,確定電動機絕緣是否良好。同時,在電動機軸承與機殼之間加裝絕緣環(軸承和轉軸之間墊入干燥的絕緣片)或者使用絕緣軸承,確保電動機軸承絕緣良好。
第一次測定時,被試電機應在額定電壓、額定頻率下空載運行,用高內阻毫伏表測量軸電壓U1,然后用導線A將轉軸一端與地短接,測量另一軸承座對地軸電壓U2,測量完畢將導線A拆除。試驗時測點表面與毫伏表引線的接觸良好。
第二次測定時,被試電機在額定電流、額定頻率下額定負載運行,測量軸承電壓U3.

圖1:軸電壓測定示意圖
1——軸承座;
2——絕緣墊片;
3——金屬墊片;
4——絕緣墊片;
5——轉子。
軸承電流測定試驗參照圖示2——軸承電流測定示意圖,試驗電源采用變頻器供電。在的電動機非軸伸端與機殼之間加裝絕緣環(軸承和轉軸之間墊入干燥的絕緣片)或者使用絕緣軸承,確保電動機軸承絕緣良好。
試驗時將電流表串聯到軸承絕緣層兩面接觸的金屬件上,分別在額定電壓、額定頻率和最高額定頻率下空載運行,測量電流值,即為軸承電流。

圖2:軸承電流測定示意圖
1——軸承座;
2——轉子;
3、4——與軸承絕緣體兩面接觸的金屬部件;
5——軸承絕緣體。
【原文:http://www.vfe.cc/NewsDetail-1892.aspx,轉載務必帶鏈接注明出處,未注明必追究責任!】
上一篇:直流電機效率測量方法簡介
下一篇:電壓互感器分類及其作用