

熱阻是反應阻止熱量傳遞的綜合參數,電機熱阻是指從電機內的熱源(繞組、鐵心等)到冷卻介質之間對熱流的阻抗。熱時間常數又叫熱響應時間,電機的熱時間常數是指在恒定功耗的技術規定條件下,電機繞組溫升達到穩定值的63.2%所需時間。
電機的熱模型包含了幾種熱時間常數,為了便于分析我們通常選用一種模型(圖1:電機熱模型)對熱時間常數及熱阻完成測試,下面本文對永磁伺服電機的熱阻測試和熱時間常數測試進行詳細介紹。
測試試驗時為方便電機自身均勻散熱,被試電機可以在低速(低于5r/min)下運行,散熱板與其他接觸部分作隔熱處理。試驗在恒溫條件下進行。若是風機電機,試驗應在風機電機的規定的冷卻條件下進行。

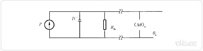
圖1:電機的熱模型
說明:
P——功率損耗,單位為瓦特(W);
TC——熱容,單位為焦每開(J/K);
Rth——熱阻,單位為開每瓦(K/W)
(△θ)a——在環境溫度下的溫升,單位為開(K);
θa——環境溫度,單位為攝氏度(℃)。
永磁伺服電機熱阻、熱時間常數試驗時依據以下步驟進行:
a) 用不大于最大連續電流值的電流驅動電機并使電機達到熱平衡狀態;
b) 確定溫升(△θ)a;
c) 用(△θ)a乘以0.368,結果加上環境溫度θa;
d) 將電源斷開,記錄電機的溫度下降到c)步驟計算出的溫度值所需的時間t;
e) 用P=I^2R計算功率損耗,式中I為電流值,R為溫度在θf時的繞組電阻。
f) 熱時間常數τth=TC*Rth,是在d)步驟中記錄的時間t,則熱阻Rth=(△θ)a/P,試驗過程中相關參數的確定可參見圖示2。

圖2:測量過程參數說明
說明:
τth=——熱時間常數,單位為分(min);
θf——熱穩定時的溫度,單位為攝氏度(℃);
θa——環境溫度,單位為攝氏度(℃);
θt——在t時刻的溫度,單位為攝氏度(℃)。
上一篇:電壓互感器分類及其作用
下一篇:電流互感器分類及其作用