

由于直流電機在短路運行時的自勵作用,將使電樞電流達到很大數值,可能使電機受到損害。為保證電機可靠運行及穩定的調節,必須對直流電機進行短路試驗,下面本文根據國標規定的直流電機試驗方法對直流電機短路試驗進行介紹。
電機接成他勵,串勵繞組反向接入(差復勵)。用感應法檢查其極性,在電機靜止時,主極繞組中交替地接通、斷開勵磁電流(應不超過額定值的20%),用直流電壓表在串勵繞組兩端測量其感應電勢的極性(圖1a),如在接通勵磁電流瞬時串勵繞組中的感應電勢使電壓表正向偏轉,則主極繞組中接通電源正端和串勵繞組中接電壓表的正端為同極性。
將被試電機按空載發電機方式運行,勵磁電源的極性與前相同,用電壓表測電樞兩端電壓的極性,然后停機將串勵的正端與空載發電機電壓的負端相連接,此時串勵繞組即為反向接入(圖1b)。

圖1 a(左)及圖1b(右):具有串勵繞組的電機在發電機方式下的短路方法電路原理圖

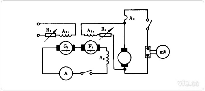
圖2:發電機方式下用功率擴大機控制勵磁的短路方法電路原理圖
Ak1——控制繞組,擴大機的主勵磁繞組;Ak2——控制繞組,由于擴大機剩磁電壓較高,用以減小其剩磁;Ak3——控制繞組,用以抑制自勵作用
在發電機方式下用功率擴大機控制勵磁的短路方法試驗原理圖如上圖2所示,按照圖2所示負載試驗時R4應短接。
如果沒有功率擴大機,可用復勵直流發電機代替,將其串勵繞組代替Ak3,接成差復勵,或者用兩臺串聯(其電勢方向相反)的勵磁機供被試電機勵磁(如圖3所示)。

圖3:兩臺串聯勵磁機勵磁方式電路原理圖
在主極上臨時纏繞一個串勵繞組,其極性仍用感應法確定(圖4)。

圖4:臨時纏繞串勵繞組的短路試驗方法電路原理圖
將并勵或串勵(對串勵電機)繞組分成相同的兩組,一組他勵(為防止剩磁電壓使發電機短路時沖擊電流太大,勵磁方法應與剩磁方向相反),另一組則并聯在電樞兩端(圖5)。

圖5:將一半主極繞組反接的短路試驗方法電路原理圖
上述四種方法,不但在發電機方式下短路時是必需的,而且在大功率的直流電機作負載試驗時,為使其安全可靠地調節,穩定地運行,也是常采用的,第一種和第三種短路試驗方法適用于回饋運行時的輔助電機,第二種短路試驗方法適用于被試電機及輔助電機。