

工頻接地電阻測試儀一般是指通過電流極注入測試電流,通過電壓極獲得相關的電位,能直接顯示測量值的接地電阻測試設備。工頻接地電阻測試儀是一種快速的接地電阻測試設備,在工業現場可以很方便的應用。本文主要根據電阻測量裝置通用技術條件介紹工頻接地電阻測試儀誤差檢測相關內容。
按適用對象分類,接地電阻測試儀一般可分為兩類:
A類:適用于一般接地裝置接地電阻的測量(即常規測量);
B類:適用于大型接地裝置接地阻抗的測量(即特殊測量)。
額定工作條件下,在被測儀器的測量范圍內,模擬式接地電阻測試儀的基本誤差不超過表1規定的極限值。

表1:模擬式接地電阻測試儀基本誤差極限值
額定工作條件下,在規定的測量范圍內,數字式接地電阻測試儀的基本誤差不超過按式1計算的基本誤差極限值。式1中,變換系數a,固定誤差b的值按表2確定。
……1
式中:
ED,L——數字式接地電阻測試儀基本誤差極限值;
a——變換系數;
b——固定誤差;
RD——基準值(數字式接地電阻測試儀的示值)。

表2:數字式接地電阻測試儀變換系數和固定誤差值
能同時模擬指示和數字顯示的接地電阻測試儀應確定其中一種顯示方式的示值符合規定的準確度等級。且兩者示值之差不得超過該準確度等級所確定的誤差極限值。
在被測儀器規定的工作條件下,檢測A類接地電阻測試儀的基本誤差時用標準交流電阻箱為標準器,檢測B類接地電阻測試儀的基本誤差時用標準交流電阻箱、標準電感、標準電容或標準阻抗作標準器。標準器的誤差極限值應不超過接地電阻測試儀準確度等級規定的基本誤差極限值的1/4。
模擬式接地電阻測試儀在測量范圍內的每個有分度數字的分度線處檢測。
數字式接地電阻測試儀在其有效測量范圍內均勻選取10個測試值(包括測量范圍的上限值、下限值或其附近處的值)處進行檢測。
模擬式與數字式同時顯示的接地電阻測試儀在模擬式接地電阻測試儀所檢測的分度線處檢測。
將標準器、等效輔助接地電阻按圖1(三端子接地電阻測試儀)或圖2(四端子接地電阻測試儀)所示的方式與接地電阻測試儀連接。
E——接地體端子;P——電壓(電位)極端子;C——電流極端子;
RE——標準器(等效接地電阻);RC、RP——等效輔助接地電阻。

圖1:三端子接地電阻測試儀接線圖
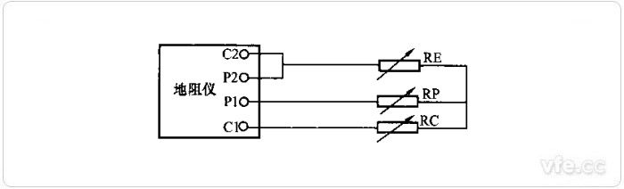
P1、P2——電壓(電位)極端子;C1、C2——電流極端子;
RE——標準器(等效接地電阻);RP、RC——等效輔助接地電阻。

圖2:四端子接地電阻測試儀接線圖
調節標準交流電阻箱(或標準電感、標準電容、標準阻抗),使接地電阻測試儀的示值依次按照設置的檢定點值BX,記錄相應標準器對應值BR。
等效輔助接地電阻:A類為(500±10)Ω;B類為(50±0.1)Ω。
接地電阻測試儀的基本誤差按式2計算:
……2
式中:
EA——接地電阻測試儀的基本誤差;
Bx——接地電阻測試儀的示值;
BR——標準器的示值;
AF——基準值(接地電阻測試儀的示值)。
上一篇:儀用電流互感器誤差檢測概述