

高壓介質損耗測試儀是指采用高壓電容電橋的原理,應用數字測量技術,對介質損耗因數和電容量進行自動測量的一種新型儀器。高壓截止損耗測試儀外施法一般是利用外部高壓試驗電源和標準電容器進行測試,通過計算得到所需的測量結果。下面本文主要根據高壓截止損耗測試儀通用技術條件介紹采用外施法時介損儀的介損檔和比例檔校準方法。
參照高壓介質損耗測試儀通用技術條件規定,外施法的校準方法采用等功率電橋法、低壓導納法進行介損儀的介損檔和比例檔校準。
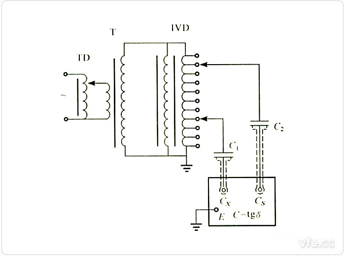
等功率電橋,又稱雙邊變壓器比例臂電橋,因具有等功率測量能力而得名。用等功率電橋法檢定高壓電容電橋比例臂的原理線路參見圖1。

圖1:等功率電橋原理線路
圖中:TD——調壓器;T——試驗變壓器;IVD——1KV單盤感應分壓器;
C1、C2——標準空氣電容量;C-tgδ——被檢電橋
a) 檢定Cx和Cs端鈕處于地電位的高壓電容電橋步驟
選取C1=C2=1000pF,C1和Cx端鈕連接,C2和Cs端鈕連接。使用被檢電橋基本量程的1:1檔測量,設電橋示值為X1和D1。然后C1和C2交換,設電橋示值為X2和D2,則:
……1
然后根據檢定需求按0.1~0.9、1~9、10~100選取28個比率檢定點,根據選點預置比率。當預置比率為K時,C1所加電壓為C2所加電壓的K倍。設這時電橋示值為X和D,則
……2
由


式中:
△X——電容比率絕對誤差;
△D——介質損耗因數差值絕對誤差;
X——電容比率示值;
D——介質損耗因數示值;
Cx、Dx——接在Cx端鈕上的電容與介質損耗因數值;
Cs、Ds——接在Cs端鈕上的電容與介質損耗因數值;
Cxq,Dxq——接在Cx端鈕的等效電容與介質損耗因數值;
Csq,Dsq——接在Cs端鈕的等效電容與介質損耗因數值;
D0——介質損耗因數零位值;
可計算電橋誤差為:
……3
……4
檢定更大比率時,可選C3=10000pF,C2=1000pF,用1/10的電壓比和電橋1:1比率測出

然后重復步驟。
b) 檢定Cx和Cs端鈕不處于地電位的高壓西林電橋步驟
用a節所述步驟檢定這類電橋的3/9,3/8,3/7,3/6,3/5,3/4比率時,只需在式4增加修正項,即:

然后選用準確度等級指數不大于B/10,時間常數不大于10^-6s的電阻箱,串在C1高壓側,預置電阻值R=R4:,即可重復以上步驟確定3/2,3/1的誤差。
檢定更大比率時,可參照a節有關內容。電阻箱預置電阻值為

當被檢電橋若不具備負損耗因數測量能力,在負損耗因數的數值不大于10^-3時,可以用高壓端串入電阻方法設定附加損耗,等功率電橋法不適用與無屏蔽電位的電橋。
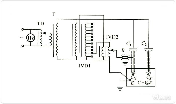
低壓導納法是根據電流注入的理論設計的校驗方法,原理線路見圖2。

圖2示:低壓導納法原理線路
圖中:TD——調壓器;T——試驗變壓器;IVD1——1KV單盤感應分壓器;IVD2-10V四盤感應分壓器;Hz——工頻頻率計;R——31.83KΩ標準電阻;C1、C2——1000pF標準空氣電容器;C-tgδ——被檢電橋
設電壓U1加在C1和C2的高壓端,電壓U2加載R的高電位端。Cx和Cs端鈕對地阻抗為Z1和Z2,注入Cx和Cs端鈕的電流為I1和I2,則

……1
式1中表明,無論是西林型電橋還是電流比較儀型電橋,都可以用低壓導納法檢定。其區別只與零位修正值的大小有關。
首先,置IVD2輸出為零,用被檢電橋在圖1狀態測量

設電橋示值為X0和D0。
然后根據檢定需求在0.1~0.9、1~9、10~100選取28個比率檢定點,按照選點規定預置介質損耗因數值,當

從10^-6變到10^-3,介質損耗因數的預置值從10^-6變到1。設檢定時預置值為Ds,電橋示值為X和D。
由


△X——電容比率絕對誤差;
△D——介質損耗因數差值絕對誤差;
X——電容比率示值;
D——介質損耗因數示值;
Cx、Dx——接在Cx端鈕上的電容與介質損耗因數值;
Cs、Ds——接在Cs端鈕上的電容與介質損耗因數值;
Cxq,Dxq——接在Cx端鈕的等效電容與介質損耗因數值;
Csq,Dsq——接在Cs端鈕的等效電容與介質損耗因數值;
D0——介質損耗因數零位值;
可得到


同樣,低壓導納法不適用與無屏蔽電位的電橋。
上一篇:數字信號和模擬信號的比較