<cite id="5ljlj"></cite>
<menuitem id="5ljlj"></menuitem>
<var id="5ljlj"></var>
<menuitem id="5ljlj"><video id="5ljlj"><thead id="5ljlj"></thead></video></menuitem><var id="5ljlj"><span id="5ljlj"><menuitem id="5ljlj"></menuitem></span></var>
<var id="5ljlj"></var>
<menuitem id="5ljlj"><strike id="5ljlj"><listing id="5ljlj"></listing></strike></menuitem>
<cite id="5ljlj"><video id="5ljlj"><thead id="5ljlj"></thead></video></cite>
<cite id="5ljlj"><video id="5ljlj"><thead id="5ljlj"></thead></video></cite>
<menuitem id="5ljlj"></menuitem>
<cite id="5ljlj"><video id="5ljlj"><thead id="5ljlj"></thead></video></cite><var id="5ljlj"><strike id="5ljlj"></strike></var><var id="5ljlj"><strike id="5ljlj"></strike></var>
<var id="5ljlj"></var>
<var id="5ljlj"><strike id="5ljlj"><listing id="5ljlj"></listing></strike></var>
<ins id="5ljlj"></ins>
當前位置:首頁檢測中心基礎知識 │ 均值檢波、峰值檢波及方均根檢波電路原理及區別

均值檢波、峰值檢波及方均根檢波電路原理及區別

  • 瀏覽次數:50781次
  • 發布時間:2013/12/10 11:07:22
  • 作者:銀河電氣

均值檢波電路

  均值檢波法廣泛應用于萬用表中交流電壓、電流測量電路的交直流轉換電路中。均值檢波法構建的交直流轉換電路對交流信號進行半波或全波整流,再對整流輸出的脈動直流信號采用積分電路得到較平緩的直流信號,直流信號的幅值就是被測信號的半波整流平均值或全波整流平均值,再利用被測信號的半波整流平均值或全波整流平均值與有效值的關系即可計算出被測信號的有效值。
  全波均值檢波電路輸出的是被測信號絕對值的平均值(下稱整流平均值),而半波均值檢波電路輸出的是整流平均值的1/2。
  波形因數是指信號的有效值與整流平均值的比值。因此,半波均值檢波法交直流轉換電路得到的測量結果需要乘以兩倍的波形因數才是被測信號的有效值。

1均值檢波電路的最簡模型

  圖1為用于交流電流測量的均值檢波電路的簡單模型。
均值檢波電路模型
圖1 交流電流均值檢波電路模型
  上圖為用于電流的交直流轉換電路,圖中二極管D1和D2構成半波整流電路,二極管D2用于保持被測回路電流的連續性,并非轉換電路本身需要。當用于測量電壓信號時,二極管D2可以省略。
  當輸入處于正半周時,二極管D1導通,向電容C充電,微安表得到的是經電容平滑濾波之后的直流電,當輸入處于負半周時,電流從D2流過,二極管D1截止,電容電荷通過微安表內阻放電,電容電壓下降。
  電容兩端的電壓波形如圖2所示,流過微安表的電流波形與圖2電壓波形相同,可見,只要輸入交流電流幅值不變,流過電流表的波形非常接近一條直線。充放電電路的時間常數越大或信號頻率越高,輸出波形越接近直線。充放電電路的時間常數越大,當輸入電流幅值發生變化時,輸出響應越慢。因此,均值檢波電路較適合于幅值相對穩定或變化緩慢,而頻率較高的交流電測量。
峰值檢波波形
圖2 均值檢波電路輸出電壓波形
  均值檢波電路通常采用電容充放電電路作為平均值電路,由于輸出為整流平均值,要求電容充放電時間常數相等。
  由圖1可知,電容充放電時間常數取決于微安表內阻,充電時,微安表內阻越大,電容越大,流過微安表的電流越小,電容充電電流越大,充電越快;放電時,微安表內阻越大,電容越大,放電越慢。為了使充放電速度相同,因此,只有在微安表內阻與電容符合特定關系時,才能使充放電速度相同。
  對于數字采樣的儀表,圖中微安表可用取樣電阻替代。并且一般會先將電流信號轉變為電壓信號再作轉換,半波整流的均值檢波電路如圖3所示。
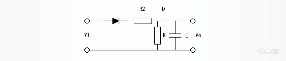
交流電壓均值檢波電路模型
圖3 交流電壓均值檢波電路模型
  圖中R2一方面用于分壓,另一方面也用于調整電容充電速度,以便與放電速度相等或接近。

2實用的均值檢波電路

  事實上,圖3的電路不論充放電時間是否相等,上述電路均不能實現嚴格的整流平均值:
  a、實際二極管有壓降,用于較低電壓測量時,二極管壓降不容忽視;
  b、電阻電容串聯電路,不是嚴格的平均電路。
  綜合考慮上述因數,第一個問題較容易解決,將二極管半波整流電路采用基于精密整流的絕對值電路替代即可。
  第二個問題可以采用有源積分器替代簡單阻容電路實現。
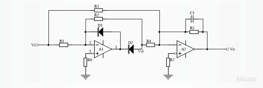
  圖4為實用的均值檢波電路,圖中只要去除C1,就是全波精密整流電路,本電路在A2構成反相加法器上增加積分電容,將其變為反相加法及積分電路。圖中R3=2R4。
實用均值檢波電路
圖4 實用的均值檢波電路
  注:嚴格的積分器是R5為無窮大,而本電路R5用于控制直流分量的增益,不能采用過大的電阻,因此,只能增大電容C1,使被測交流電頻率下,C1的阻抗遠遠小于R5。

峰值檢波電路

  峰值檢波法是常用的交直流轉換電路之一。峰值檢波法構建的交直流轉換電路對交流信號進行半波或全波整流,再用充電電容保持整流輸出的脈動直流信號的峰值,得到較平緩的直流信號,直流信號的幅值就是被測交流信號的峰值,再利用被測信號的峰值與有效值的關系即可計算出被測信號的有效值。
  峰值因數是指信號的峰值與有效值的比值。因此,峰值檢波法交直流轉換電路得到的測量結果需要除以峰值因數才是被測信號的有效值。

1峰值檢波電路的最簡模型

  如圖5所示,理論上,基于二極管無源半波整流的交流電壓峰值檢波電路可以采用與交流電壓均值檢波電路完全相同的形式。
交流電壓峰值檢波電路模型
圖5 交流電壓峰值檢波電路模型
  峰值檢波電路與均值檢波電路的最大區別在于:
  a、峰值檢波電路要求充電時間足夠短,用于窄脈沖測試的峰值檢波電路,要求在很短的時間之內,電容可以快速充電至峰值。而放電時間相對長,否則,輸出波形不夠平滑。對于正負對稱并且幅值相對穩定的交流電而言,只要放電速度遠遠低于充電速度,即使充電速度較慢,也能使輸出非常接近于峰值。
  b、均值檢波電路要求充放電時間相等,否則,得到的不是整流平均值,均值檢波電路適用于正負對稱并且幅值相對穩定的交流電的測量。

2實用的峰值檢波電路

  與均值檢波電路類似,對于較低的交流電壓測量,如圖6所示,實用的峰值檢波電路應當消除二極管壓降的影響。
實用峰值檢波電路
圖6 實用的峰值檢波電路
  當Vi大于Vo時,A1輸出正電源電壓,D1截止,D2導通,電容C迅速充電至Vi。
  當Vi小于Vo時,A1輸出負電源電壓,二極管D1導通,二極管D2截止,電容C通過電阻Rc緩慢放電。

方均根檢波電路

  方均根值是有效值的代名詞,方均根值等于有效值,顧名思義,方均值就是對輸入信號順序進行平方,平均和開方運算。上述運算以在信號的一個或整數個周期內進行。

1方均根檢波電路的原理

  如圖7所示,方均根檢波電路采用乘法器進行平方運算,采用積分電路實現平均運算,積分電路輸出經過開方電路即可得到方均根值。
水印-6
圖7 方均根檢波電路原理

2方均根檢波實用電路

  方均根檢波電路廣泛應用于各種真有效值電壓表、電流表和萬用表,實際應用中,通常采用專用的真有效值轉換芯片實現。常用真有效值轉換芯片有AD536、AD637、LTC1966、LTC1967、LTC1968等。
  圖8為真有效值轉換芯片AD637的官方推薦電路,圖中輸入電容主要起到隔離直流分量的作用。AD637內部集成了絕對值電路、平方電路、開方電路和積分器電路。除了積分器電路需要外接電容之外,幾乎不需要任何外圍元件,此外,  AD637還提供了一個電壓跟隨器供靈活使用,若信號源阻抗較大,建議加在信號源與輸入電路之間。
AD637真有效值轉換電路
圖8 AD637真有效值轉換電路

三種檢波方式的應用于對比

  均值檢波電路輸出結果等于被測信號有效值除以波形因數;
  峰值檢波電路輸出結果等于被測信號有效值乘以峰值因數;
  方均根檢波電路輸出結果等于被測信號有效值。
  因此,三種檢波電路都屬于交直流轉換電路,均可用于交流信號的有效值測量。均值檢波電路適用于特定波形因數的交流信號;峰值檢波電路適用于特定峰值因數的交流信號;而方均根檢波電路適用于任意信號的有效值測量。
  三種檢波電路均廣泛應用于交流電壓表、交流電流表、毫伏表、萬用表等交流電測儀表。通常,采用均值檢波電路和峰值檢波電路儀表按照正弦波的波形因數和峰值因數進行設計,這就是均值檢波表或峰值檢波表不適用于非正弦交流電測量的原因。
  從原理可知,三種檢波電路中均有電容充放電電路,當電容充放電的時間常數遠遠大于輸入信號周期時,輸出信號趨于平滑,當輸入信號周期較大或大于充放電時間常數時,輸出是脈動直流信號。當輸入發生變化時,電容充放電時間越長,輸出響應越慢,因此,電容充放電時間應該設置在一個相對合理的時間之內,當輸入信號頻率過低時,輸出將會出現明顯的波動,測量精度也會隨之降低。
  掌握上述電路原理對于分析各種電測量儀表在實際測量中遇到的問題很有幫助,而對于電測產品設計者而言,更合理的方案是采用交流采樣技術,實時跟蹤信號頻率變化,始終在整周期內對被測信號進行方均根運算,可以最大限度提高交流電量的測量精度。WP4000變頻功率分析儀就是這樣的一種適合任意交流電量測量的新型電測量儀器。

Copyright 2010-2017 www.ayxdmy.com, All Rights Reserved 湖南銀河電氣有限公司 版權所有 湘ICP備09002592號-5
中文字幕在线观看