<cite id="5ljlj"></cite>
<menuitem id="5ljlj"></menuitem>
<var id="5ljlj"></var>
<menuitem id="5ljlj"><video id="5ljlj"><thead id="5ljlj"></thead></video></menuitem><var id="5ljlj"><span id="5ljlj"><menuitem id="5ljlj"></menuitem></span></var>
<var id="5ljlj"></var>
<menuitem id="5ljlj"><strike id="5ljlj"><listing id="5ljlj"></listing></strike></menuitem>
<cite id="5ljlj"><video id="5ljlj"><thead id="5ljlj"></thead></video></cite>
<cite id="5ljlj"><video id="5ljlj"><thead id="5ljlj"></thead></video></cite>
<menuitem id="5ljlj"></menuitem>
<cite id="5ljlj"><video id="5ljlj"><thead id="5ljlj"></thead></video></cite><var id="5ljlj"><strike id="5ljlj"></strike></var><var id="5ljlj"><strike id="5ljlj"></strike></var>
<var id="5ljlj"></var>
<var id="5ljlj"><strike id="5ljlj"><listing id="5ljlj"></listing></strike></var>
<ins id="5ljlj"></ins>
當前位置:首頁產品應用 │ DP800數字功率計測量三相功率原理

DP800數字功率計測量三相功率原理

  • 瀏覽次數:7246次
  • 發布時間:2014/6/19 15:54:54
  • 作者:銀河電氣

  DP800數字功率計是一款低成本、高精度、適合5~400Hz三相正弦交流電有功功率測量的數字化虛擬儀器。DP800數字功率計測量可以進行直流、單相交流、三相交流功率的測量。
  DP800數字功率計由數字主機、1~3個功率單元、傳輸光纖、RS232(或USB)連接線及上位機構成。下圖為兩個功率單元測量三相功率的構成原理圖,相互之間連接如圖所示。

DP800數字功率計構成原理圖

DP800數字功率計構成原理

DP800數字功率計功率單元原理

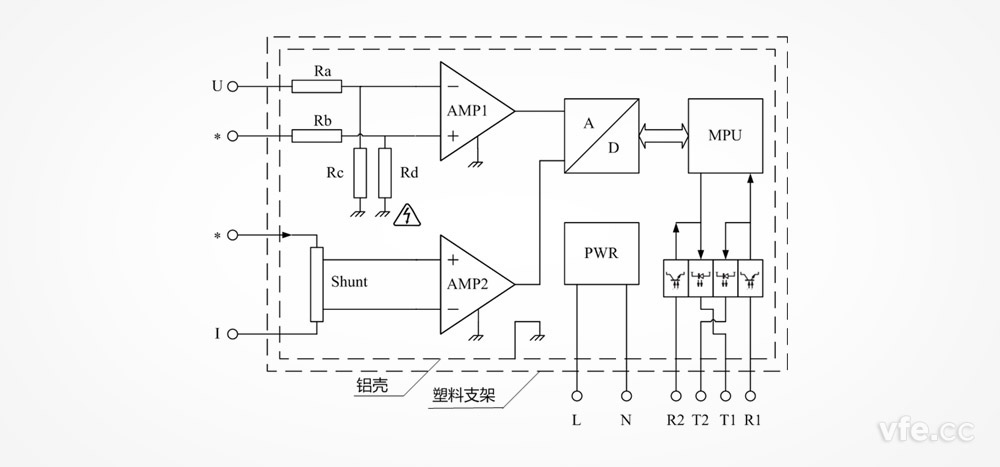
  功率單元主要包括:被測電壓調理電路、被測電流調理電路、AD轉換器、微處理器MPU、光纖收發器R1、R2、T1、T2、工作電源PWR、屏蔽鋁殼及塑料支架等部分。
  被測電壓調理電路由電阻Ra、Rb、Rc、Rd及運算放大器AMP1等構成,被測電流調理電路由分流器Shunt和運算放大器AMP2等構成。
  被測電壓、電流信號經調理電路(圖10中省略了量程轉換和防混疊濾波器等電路)等電路變換為與AD轉換器量程及阻抗匹配的模擬量電壓信號,在微處理器MPU的控制下,AD轉換器將模擬量電壓信號變換為數字信號,微處理器對數字信號進行分析運算得到電壓有效值、電流有效值、有功功率、頻率等參數,由微處理器MPU的串行通訊接口經過光纖發送器T1上傳。光纖接收器R1接收數字主機的設置指令及同步時鐘信號送至微處理器MPU的串行通訊接口。


DP800功率單元工作原理框圖
DP800功率單元工作原理框圖
  
為了通過光纖總線將多個功率單元互聯,每臺功率單元還包括一對用于連接總線上下一個功率單元的光纖收發器R2和T2。

DP800數字功率計接線圖

DP800數字功率計直接測量接線圖
DP800數字功率計直接測量接線圖

DP800數字功率計電壓直測、電流測互感器接線圖
DP800數字功率計電壓直測、電流測互感器接線圖

Copyright 2010-2017 www.ayxdmy.com, All Rights Reserved 湖南銀河電氣有限公司 版權所有 湘ICP備09002592號-5
中文字幕在线观看