

斬波器是一種將電壓值固定的直流電,轉換為另一固定電壓或可調電壓的裝置,一般是指直流對直流的轉換。斬波電路是斬波器的核心組成部分,負責將輸入電壓轉換成目標輸出電壓。根據輸入輸出電壓大小、極性,斬波電路可分為降壓斬波電路、升壓斬波電路、升降壓斬波電路、Cuk斬波電路、Sepic斬波電路、Zeta斬波電路等,下面本文主要介紹以上幾種斬波電路的工作原理。
一降壓斬波電路

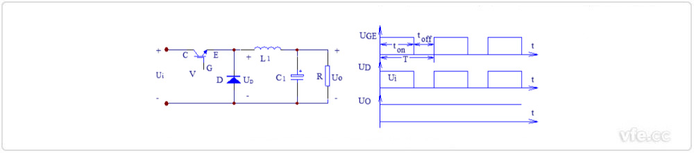
圖1:降壓斬波電路(Buck Chopper)原理圖及波形圖
如上圖1:降壓斬波電路原理圖及波形圖所示,圖中V為全控型器件,選用IGBT;D為續流二極管。由圖1中V的柵極電壓波形UGE可知,當V處于通態時,電源Ui向負載供電,UD=Ui。當V處于斷態時,負載電流經二極管D續流,電壓UD近似為零,至一個周期T結束,再驅動V導通,重復上一周期的過程。負載電壓的平均值為:

式中ton為V處于通態的時間,toff為V處于斷態的時間,T為開關周期,α為導通占空比,簡稱占空比或導通比(α=ton/T)。由此可知,輸出到負載的電壓平均值UO最大為Ui,若減小占空比α,則UO隨之減小,由于輸出電壓低于輸入電壓,故稱該電路為降壓斬波電路。
二升壓斬波電路

圖2:升壓斬波電路(Boost Chopper)原理圖及波形圖
如上圖2:升壓斬波電路原理圖及波形圖所示,電路也使用一個全控型器件V。由圖2中V的柵極電壓波形UGE可知,當V處于通態時,電源Ui向電感L1充電,充電電流基本恒定為I1,同時電容C1上的電壓向負載供電,因C1值很大,基本保持輸出電壓UO為恒值。設V處于通態的時間為ton,此階段電感L1上積蓄的能量為Ui*I1*ton。當V處于斷態時Ui和L1共同向電容C1充電,并向負載提供能量。設V處于斷態的時間為toff,則在此期間電感L1釋放的能量為(UO-Ui)*I1*toff。當電路工作于穩態時,一個周期T內電感L1積蓄的能量與釋放的能量相等,即:

上式中的T/toff≥1,輸出電壓高于電源電壓,故稱該電路為升壓斬波電路。
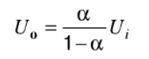
三升降壓斬波電路

圖3:升降壓斬波電路(Boost-Buck Chopper)原理圖及波形圖
如上圖3:升降壓斬波電路原理圖及波形圖所示,電路的基本工作原理是:當可控開關V處于通態時,電源Ui經V向電感L1供電使其貯存能量,同時C1維持輸出電壓UO基本恒定并向負載供電。此后,V關斷,電感L1中貯存的能量向負載釋放。可見,負載電壓為上負下正,與電源電壓極性相反。輸出電壓為:

若改變導通比α,則輸出電壓可以比電源電壓高,也可以比電源電壓低。當0<α<1/2時為降壓,當1/2<α<1時為升壓。
四Cuk斬波電路

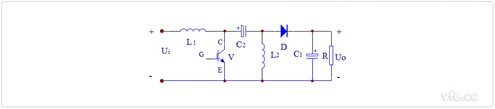
圖4:Cuk斬波電路原理圖
如上圖4:Cuk斬波電路原理圖所示,電路的基本工作原理是:當可控開關V處于通態時,Ui—L1—V回路和負載R—L2—C2—V回路分別流過電流。當V處于斷態時,Ui—L1—C2—D回路和負載R—L2—D回路分別流過電流,輸出電壓的極性與電源電壓極性相反。輸出電壓為:

若改變導通比α,則輸出電壓可以比電源電壓高,也可以比電源電壓低。當0<α<1/2時為降壓,當1/2<α<1時為升壓。
五Sepic斬波電路

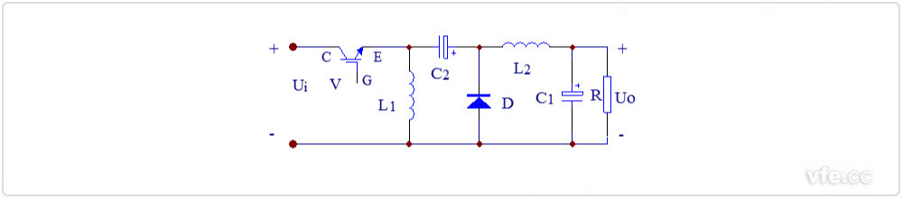
圖5:Sepic斬波電路原理圖
如上圖5:Sepic斬波電路:原理圖所示,電路的基本工作原理是:可控開關V處于通態時,Ui—L1—V回路和C2—V—L2回路同時導電,L1和L2貯能。當V處于斷態時,Ui—L1—C2—D—R回路及L2—D—R回路同時導電,此階段Ui和L1既向R供電,同時也向C2充電,C2貯存的能量在V處于通態時向L2轉移。輸出電壓為:

若改變導通比α,則輸出電壓可以比電源電壓高,也可以比電源電壓低。當0<α<1/2時為降壓,當1/2<α<1時為升壓。
六Zeta斬波電路

圖6:Zeta斬波電路原理圖
如上圖6所示:Zeta斬波電路原理圖所示,電路的基本工作原理是:當可控開關V處于通態時,電源Ui經開關V向電感L1貯能。當V處于斷態后,L1經D與C2構成振蕩回路,其貯存的能量轉至C2,至振蕩回路電流過零,L1上的能量全部轉移至C2上之后,D關斷,C2經L2向負載R供電。輸出電壓為:

若改變導通比α,則輸出電壓可以比電源電壓高,也可以比電源電壓低。當0<α<1/2時為降壓,當1/2<α<1時為升壓。