<cite id="5ljlj"></cite>
<menuitem id="5ljlj"></menuitem>
<var id="5ljlj"></var>
<menuitem id="5ljlj"><video id="5ljlj"><thead id="5ljlj"></thead></video></menuitem><var id="5ljlj"><span id="5ljlj"><menuitem id="5ljlj"></menuitem></span></var>
<var id="5ljlj"></var>
<menuitem id="5ljlj"><strike id="5ljlj"><listing id="5ljlj"></listing></strike></menuitem>
<cite id="5ljlj"><video id="5ljlj"><thead id="5ljlj"></thead></video></cite>
<cite id="5ljlj"><video id="5ljlj"><thead id="5ljlj"></thead></video></cite>
<menuitem id="5ljlj"></menuitem>
<cite id="5ljlj"><video id="5ljlj"><thead id="5ljlj"></thead></video></cite><var id="5ljlj"><strike id="5ljlj"></strike></var><var id="5ljlj"><strike id="5ljlj"></strike></var>
<var id="5ljlj"></var>
<var id="5ljlj"><strike id="5ljlj"><listing id="5ljlj"></listing></strike></var>
<ins id="5ljlj"></ins>
當前位置:首頁檢測中心基礎知識 │ 非常實用的電壓互感器接線方式

非常實用的電壓互感器接線方式

  • 瀏覽次數:30684次
  • 發布時間:2014/10/21 16:01:28
  • 作者:hb_yinhe

  電壓互感器電力系統中通常有四種接線方式,電壓互感器接線接地、相位等必須按嚴格的接法,并且電壓互感器二次側嚴禁短路。

一、一個單相電壓互感器接線方式

電壓互感器符號11
一個單相電壓互感器接線方式
  一個單相電壓互感器的接線,用于對稱的三相電路,二次側可接儀表和繼電器。

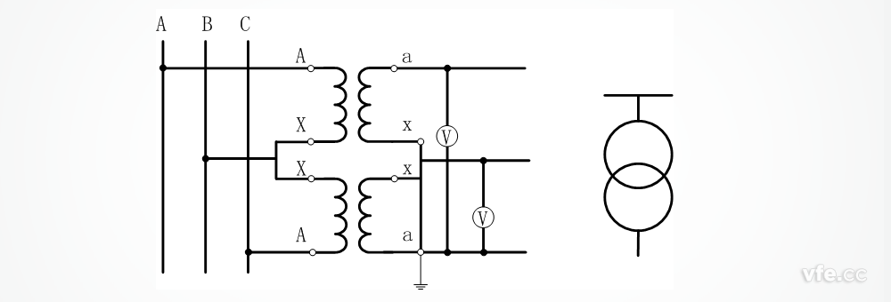
二、兩個單相電壓互感器互V/V型的接線方式

電壓互感器符號12
兩個單相電壓互感器互V/V型的接線方式
  兩個單相電壓互感器的V/V形接線,可測量線電壓,但不能測相電壓,它廣泛應用在20kV以下中性點不接地或經消弧線圖接地的電網中。

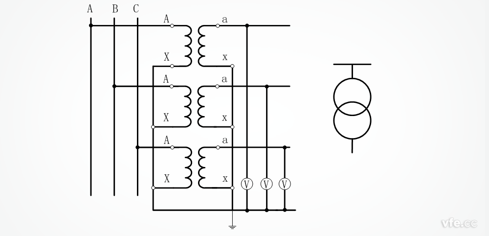
三、三個單相電壓互感器Y0/Y0型的接線方式

電壓互感器符號13
三個單相電壓互感器Y0/Y0型的接線方式
  可供給要求測量線電壓的儀表和繼電器,以及要求供給相電壓的絕緣監察電壓表。

四、三個單相三繞組電壓互感器或一個三相五柱式三繞組電壓互感器接成Y0/Y0/Δ型

電壓互感器符號14
三個單相三繞組電壓互感器或一個三相五柱式三繞組電壓互感器接成Y0/Y0/Δ型

  接成Y0形的二次線圈供電給儀表、繼電器及絕緣監察電壓表等。輔助二次線圈接成開口三角形,供電給絕緣監察電壓繼電器。當三相系統正常工作時,三相電壓平衡,開口三角形兩端電壓為零。當某一相接地時,開口三角形兩端出現零序電壓,使絕緣監察電壓繼電器動作,發出信號。用于3~220kV系統(110kV及以上無高壓熔斷器),供接入交流電網絕緣監視儀表和繼電器用。


Copyright 2010-2017 www.ayxdmy.com, All Rights Reserved 湖南銀河電氣有限公司 版權所有 湘ICP備09002592號-5
中文字幕在线观看