

一問題的提出
目前的市面上的多相功率分析儀,一般可連接4個、6個甚至更多的功率單元。
連接相同數量功率單元的功率分析儀,實際測量能力并不一定相同,為什么呢?
測量一個單相兩線的單相回路,只需要一個功率單元。

測量一個三相三線的三相回路,可以只用兩個功率單元。

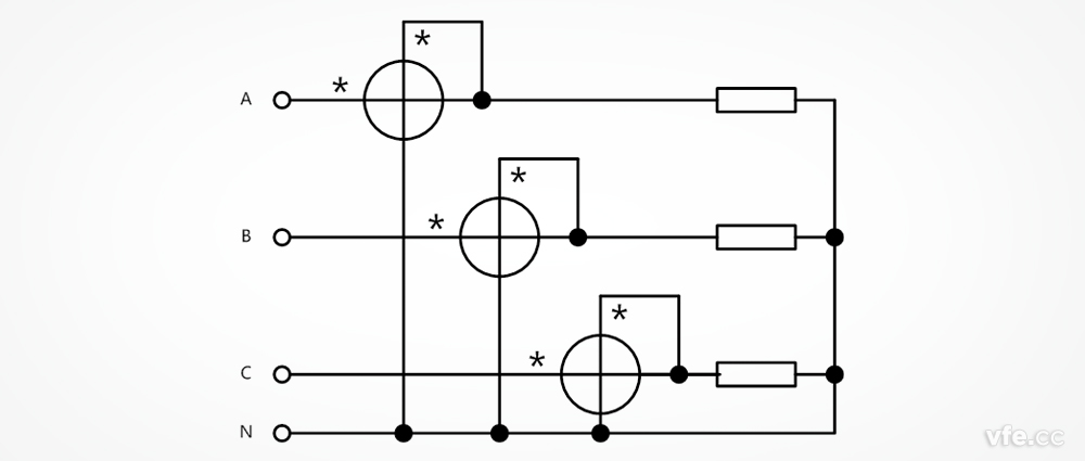
測量一個三相四線的三相回路,需要三個功率單元。

三相三線輸入、三相三線輸出的交直交變頻器,要求同時測量輸入和輸出時,理論上4個功率單元即可滿足測試需要。
問題來了,是不是配置四個功率單元的功率分析儀就一定可以同時測量變頻器的輸入和輸出呢?
答案是否定的!
目前大多數四相功率分析儀對于三相變頻器推薦接線方式是:一個功率單元用于測量直流母線,另外三個功率單元用于測量三相交流輸出。
這種接線方式忽略了兩個問題:
第一, 三相交流變頻器輸出本來可以只用兩個功率單元進行測量。
第二, 這種方案更加適合直流輸入的逆變器,對于三相交流輸入的變頻器而言,只測量直流母線,并不能完整反映變頻器的效率和輸入諧波等重要參數。
廠家為何這樣推薦?
原因在于,該功率分析儀配置4個功率單元時,只允許有兩種接線方式:
第一、 測量4個單相兩線(1P2W)的單相回路。
第二、 測量1個單相兩線(1P2W)的單相回路和一個三相四線(3P4W)的三相回路。
配置兩個功率單元時,同樣只允許有兩種接線方式:
第一、測量2個單相兩線(1P2W)的單相回路。
第二、測量一個三相三線(3P3W)的三相回路。
當然,配置4個功率單元時,可以忽視后面的兩個功率單元。
這樣,該功率分析儀可以擴展到4種接線方式。
而不論用哪種測量方式,單相單線和三相三線不能同時使用,并且不能同時測量兩個或兩個以上的三相回路。
您或許或疑惑,為何廠家要作這樣的限制?
這是有原因的,因為測量兩個三相回路時,需要兩個同步源,而該功率分析儀只有一個同步源。基于這個原理,該儀器配置四個功率單元時,還可以擴充的接線方式應該是:測量一個單相兩線的單相回路和一個三相三線的三相回路,這種方式實際上更適合三相逆變器的測試需要。遺憾的是:廠家并未開放該測量模式。
二解決方案
WP4000的靈活接線方式體現在:WP4000最多可連接6個功率單元,并且每個功率單元都可以是同步源,這樣,不論采用何種接線方式,只要總單元數在6個以內,都可以實現同時測量。
比如說:
同時測量兩個三相四線的三相回路(變壓器輸入輸出測試)

變壓器輸入輸出測試接線原理圖
同時測量三個三相三線的三相回路(雙饋風力發電機的定子、轉子和電網三側同時測量);

雙饋電機測試接線原理圖
同時測量一個單相雙線的單相回路和兩個三相三線的交流回路(交直交變頻器的三相輸入、直流母線和三相輸出)。

變頻器測試原理圖
三結論
靈活接線圖的核心是強大的同步源系統,而非簡單的軟件功能!市面上大多數功率分析儀僅僅只有一個或者兩個同步源,局限于此,這類功率分析儀接線方式也有非常大局限性。要想功率分析儀接線方式靈活,WP4000這種每路功率單元配置一個同步源的方式是最好的選擇。
上一篇:間接測量比直接測量更加準確?
下一篇:原始數據對于測量的重要性