

在過去的100多年中,電力系統的發電、變電、輸電荷配電系統都是三相系統。因此,大多數交流電機采用三相結構。然而,隨著電機功率的逐漸加大和某些特殊場合對電機可靠性要求的提高,三相電機開始面臨挑戰。多相電機應運而生。
多相電機的有兩個顯著特點:
1、相數多,相同功率下單相電流小,降低了電機和驅動器設計難度。如:六相直驅同步風力發電機已得到廣泛應用。
2、多相冗余,即便某一相出現故障,還能正常運行,提高電機可靠性。如:十五相新型感應電機特別適合艦船電力推進系統。
用于五相、六相、十二相、十五相等多相電機功率測量的多相功率分析儀的接線及原理與三相功率分析儀有所不同,但基本原理類似。因此,本文先講述三相功率分析儀的接線及原理。
三相功率分析儀的接線包括兩表法和三表法兩種方式。
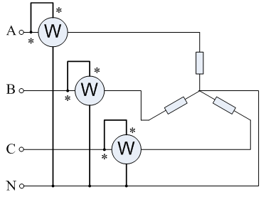
三相功率分析儀的三表法接線較容易理解,分別測量每相的有功功率Pa、Pb、Pc,而三相總功率P=Pa+Pb+Pc。每一相都有明確的物理意義,Pa、Pb、Pc分別代表負載A、B、C相消耗的功率。
圖1為三相功率分析儀的三表法接線原理圖,由圖可知,三表法測量需要有四個節點,A、B、C三相節點之外,還需要中性點N。三表法一般用于三相四線制的功率測量。

圖1 三相功率分析儀的三表法接線
三相功率分析儀的兩表法用于三相三線制的功率測量。兩表測量三相功率的基本原理是基爾霍夫電壓定律和基爾霍夫電流定律。
在Y連接的三相電路中,記ia(t)、ib(t)、ic(t)分別為三相電流的瞬時值,根據基爾霍夫電流定律,有:
ia(t)+ib(t)+ic(t)=0 (1)
記uab(t)、ucb(t)為線電壓的瞬時值,uan(t)、ubn(t)、ucn(t)為相電壓的瞬時值,根據基爾霍夫電壓定律,有:
uab(t)=uan(t)-ubn(t) (2)
ucb(t)=ucn(t)-ubn(t) (3)
記pa、pb、pc分別為A、B、C相功率的瞬時值,p為三相功率的瞬時值,有:
p(t)=pa(t)+pb(t)+pc(t)=uan(t)*ia(t)+ubn(t)*ib(t)+ucn(t)*ic(t) (4)
由式(1)得:
ib(t)=-ia(t)-ic(t)
上式代入式(4),有:
p(t)=uan(t)*ia-ubn(t)*ia-ubn(t)*ic+ucn(t)*ic(t)=[uan(t)-ubn(t)]*ia(t)+[ucn(t)-ubn(t)]*ic(t)
式(2)、(3)代入上式,有:
p(t)=uab(t)*ia(t)+ucb(t)*ic(t) (5)
式(5)就是三相功率分析儀兩表法測量原理。
對于三角形接法的三相電路,采用星三角等效變換原理,可以得到同樣的結論。其中ia(t)和ic(t) 在Y連接中,既是相電流,也是線電流,在△連接中,表示線電流。
依據式(5),得到三相功率分析儀兩表法接線如下:

圖2 三相功率分析儀的兩表法接線
值得注意的是,三相功率分析儀的兩表法并不是三表法的簡化測量方法,三表法和兩表法的接線方式主要取決于被測電路:
a、三表法應用的前提是有四個節點。實際應用可以是下述情況下的任意一種:
三相四線制;
三相三線制,被測端采用星型連接并且中性點可以引出;
三相三線制,被測端采用星型連接但中性點不可引出,可采用三個等值阻抗采用星型連接虛構中性點;
三相三線制,被測端采用三角形連接,沒有中性點,可采用三個等值阻抗采用星型連接虛構中性點。
b、兩表法應用的前提是只有三根電流線。
兩表法只能用于三相三線制;
對于采用變頻器供電的電機,若載波頻率較高,由于雜散電容泄露電流的存在,會影響功率測量的準確度。但是,這個問題并非采用三表法就可以解決。(詳細參見銀河文庫_淺談變頻電機試驗的功率測量)。
c、兩表法與三表法選用與三相電路是否平衡無關。
類似三相電機,五相功率分析儀依據五相電機的中性線是否存在且連接(有電流),分為下述兩種接線方式:
當五相電機具有中性點且中性點未引出時(無電流),利用基爾霍夫電流定律,采用四個瓦特表可以測量出五個電壓和五個電流,從而計算出五相電機的總功率,其推導方法與量表法類似。
當五相電機具有中性點且中性點有連接時(有電流),應采用五塊瓦特表分別測量每一相的功率,結果求和。
六相電機可以分為兩種情況,第一種是六相是采用兩套獨立的星形連接的三相繞組,兩個中性點不相連,第二種情況是六個繞組共用一個中性點。
每種情況又包含兩種測量方法,因此,六相功率分析儀共有四種接線方式:
兩套獨立三相繞組時,就測量而言,兩套繞組相當于兩臺三相電機,分別對兩套繞組采用三相功率分析儀的兩表法進行測量,結果求和,需要四個瓦特表。
六個繞組共用一個中性點時,且中性點未作連接時(無電流),利用基爾霍夫電流定律,采用五個瓦特表可以測量出六個電壓和六個電流,從而計算出六相的總功率,其推導方法與量表法類似。
兩套獨立三相繞組時,就測量而言,兩套繞組相當于兩臺三相電機,分別對兩套繞組采用三相功率分析儀的三表法進行測量,結果求和,需要六個瓦特表。
六個繞組共用一個中性點時,且中性點有連接時(有電流),可采用六塊瓦特表分別測量每一相的功率,結果求和。
十五相電機根據繞組連接方式一般可分為五套獨立三相繞組或三套五相獨立繞組或一套十五相繞組三種情況,十五相功率分析儀接線主要有下述四種方式:
五套獨立三相繞組時(中性點獨立且無任何連接),相當于五套獨立的三相功率分析儀的二瓦特表法,結果求和,共需要十個瓦特表。
三套獨立五相繞組時(中性點獨立且無任何連接),相當于三套獨立的五相功率分析儀的四瓦特表法,結果求和,共需要十二個瓦特表。
一套十五相繞組時,若中性點未作任何連接(無電流),利用基爾霍夫電流定律,采用十四個瓦特表可以測量出十五個電壓和十五個電流,從而計算出十五相電機的總功率,其推導方法與量表法類似。
一套十五相繞組時,若中性點有連接(有電流),可采用十五塊瓦特表分別測量每一相的功率,結果求和。
對于讀數穩定的穩態測量,多相功率分析儀可以分為多組分別進行測量。對于讀數不穩定的瞬態測量,多相功率分析儀的每個萬特表(或功率單元)之間應該有同步測量機制保證多相之間為同步測量。
WP4000變頻功率分析儀單臺最多支持六個功率單元,每臺功率分析儀可通過同步光纖進行嚴格同步采樣,單臺功率分析儀可實現上述的三相功率分析、五相功率分析儀及六相功率分析儀的任何一種連接方式。一臺WP4000變頻功率分析儀采用兩表法測量相當于三臺三相功率分析儀。采用兩臺或三臺WP4000變頻功率分析儀可構建十五相功率分析儀。
上述連接方式不能囊括實際工程應用中的所有連接方式,然而,只要真正理解三相功率分析的兩表法和三表法接線方式和原理,并融會貫通,不但可輕松構建五、六、十五相等任意相數電機功率分析儀,還可最大限度簡化測試電路。
上一篇:民族驕傲之國產功率分析儀
下一篇:功率分析儀的原理、分類及用途