<cite id="5ljlj"></cite>
<menuitem id="5ljlj"></menuitem>
<var id="5ljlj"></var>
<menuitem id="5ljlj"><video id="5ljlj"><thead id="5ljlj"></thead></video></menuitem><var id="5ljlj"><span id="5ljlj"><menuitem id="5ljlj"></menuitem></span></var>
<var id="5ljlj"></var>
<menuitem id="5ljlj"><strike id="5ljlj"><listing id="5ljlj"></listing></strike></menuitem>
<cite id="5ljlj"><video id="5ljlj"><thead id="5ljlj"></thead></video></cite>
<cite id="5ljlj"><video id="5ljlj"><thead id="5ljlj"></thead></video></cite>
<menuitem id="5ljlj"></menuitem>
<cite id="5ljlj"><video id="5ljlj"><thead id="5ljlj"></thead></video></cite><var id="5ljlj"><strike id="5ljlj"></strike></var><var id="5ljlj"><strike id="5ljlj"></strike></var>
<var id="5ljlj"></var>
<var id="5ljlj"><strike id="5ljlj"><listing id="5ljlj"></listing></strike></var>
<ins id="5ljlj"></ins>
當前位置:首頁產品問答 │ SP系列變頻功率傳感器接線圖詳解

SP系列變頻功率傳感器接線圖詳解

  • 瀏覽次數:11144次
  • 發布時間:2014/3/12 11:29:45
  • 作者:銀河電氣

SP系列變頻功率傳感器簡介

  SP系列變頻功率傳感器是AnyWay系列變頻功率分析儀的主要功率單元,屬于數字量輸出測量用變頻電量變送器,由變頻電壓傳感器、變頻電流傳感器及相關測量元件構成。每個傳感器可連接一路電壓信號和一路電流信號。
變頻功率傳感器 
圖1. 變頻功率傳感器外觀圖

功率表接線回顧

 功率表接線圖
圖2. 功率表接線圖
  圖2展示了兩種功率表接線圖。當功率表的電流表內阻及線路阻抗可忽視時,兩種功率表接線圖效果一樣。當電流表內阻及線路阻抗不可忽視時,若關注的是電源輸出功率,采用左側功率表接線圖,并且測試電壓線連接點盡可能靠近電源連接端子;若關注的是負載消耗功率時,采用右側功率表接線圖,并且測試電壓線連接點盡可能靠近負載連接端子。

SP系列變頻功率傳感器接線端子說明

  SP系列變頻功率傳感器接線端子與功率表接線端子類似。
SP系列變頻功率傳感器接線端子說明
圖3. SP系列變頻功率傳感器接線端子說明
  如圖3所示:SP系列系列變頻功率傳感器接線端子包括:一個電流輸入端子(正極)、一個電流輸出端子(負極)、兩個電壓輸入端子、輔助電源端子和光纖通訊接口。
  SP系列變頻功率傳感器采用銅排作為電流輸入和輸出端子,標注“*”的一側為電流輸入端子,接電源端;另一側為電流輸出端子,接負載端。
  SP系列變頻功率傳感器采用紅色和黑色的插座為電壓測試端子,標注“*”的紅色插座為電壓正端,連接電源正極,黑色插座為電壓負端,連接電源負極。
  SP系列變頻功率傳感器的輔助電源輸入為50/60Hz,AC100V~260V,可兼容50Hz和60Hz及110V和220V的市電。
  SP系列變頻功率傳感器采用浮地設計,殼體與電流端子等電位,帶電狀態不可觸碰。
  SP系列變頻功率傳感器的光纖通訊接口包含一個同步采樣控制的接收端RXD和一個采樣數據上傳的發送端TXD。

SP系列變頻功率傳感器接線舉例

  SP系列變頻功率傳感器接線功率表接線類似。本節列出的變頻功率傳感器接線圖均考慮測量負載功率,因此,電壓測試端子連接均靠近負載側。

1單相電功率測量接線圖

單相電功率測量時的SP系列變頻功率傳感器接線圖
圖4. 單相電功率測量時的SP系列變頻功率傳感器接線圖

2三相三線制電功率測量接線圖

  三相三線制電功率測量包括三種接線方式:
  參見圖5,第一種接線方式采用最常見的二瓦計法。二瓦計法測量三相功率的理論依據是基爾霍夫電壓定律和基爾霍夫電流定律。
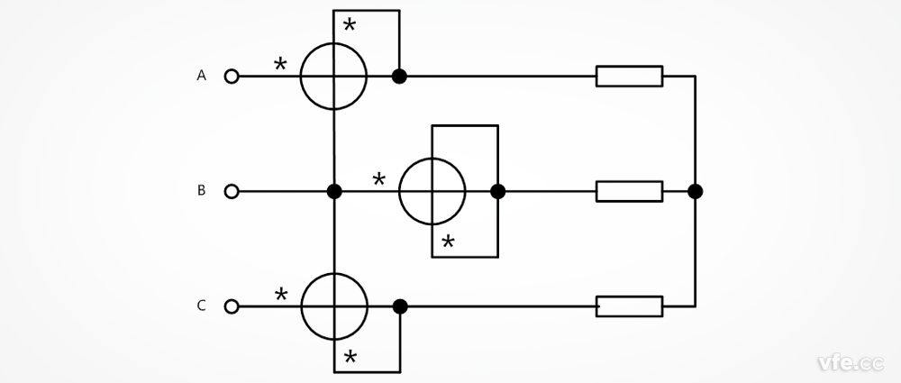
  參見圖6,第二種接線方式在第一種基礎上增加了一個電流表,用于測量B相電流,該方式就測量功率而言,仍然是二瓦計法。由于安裝在B相的變頻功率傳感器只用于測量電流,其電壓測試線互相短接至電流輸出端。
  注:國標GB/T1032-2012三相異步電動機試驗方法中明確規定:在變頻器供電電機中,當變頻器開關頻率較高時,考慮到電容泄露電流可能不能忽視,應該每一相都安裝一個電流表。
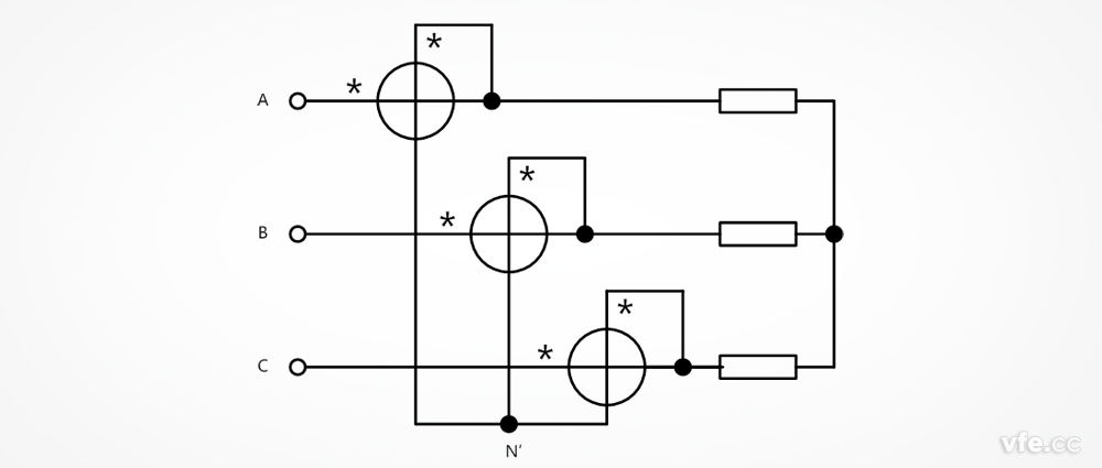
  參見圖7,第三種接線方式采用三瓦計法,由于三相三線制無中性線,利用同型號的SP系列變頻功率傳感器的電壓端口輸入內阻相同的特性構建了一個虛擬中性點N’,虛擬中性點懸空。
三相三線制電功率測量時的SP系列變頻功率傳感器接線圖(二瓦計法)
圖5. 三相三線制電功率測量時的SP系列變頻功率傳感器接線圖(二瓦計法)
三相三線制電功率測量時的SP系列變頻功率傳感器接線圖(GB T1032規定的方法)
圖6. 三相三線制電功率測量時的SP系列變頻功率傳感器接線圖(GB/T1032規定的方法)
三相三線制電功率測量時的SP系列變頻功率傳感器接線圖(虛擬中性點的三瓦計法)
圖7. 三相三線制電功率測量時的SP系列變頻功率傳感器接線圖(虛擬中性點的三瓦計法)

3三相四線制電功率測量接線圖

三相四線制電功率測量時的SP系列變頻功率傳感器接線圖(三瓦計法)
圖8. 三相四線制電功率測量時的SP系列變頻功率傳感器接線圖(三瓦計法)
  圖8與圖7的區別在于,圖7中三個變頻功率傳感器的電壓負端互聯后懸空,而圖8中三個變頻功率傳感器的電壓負端互聯后連接至中性線。
  作者:AnyWay中國
  湖南銀河電氣有限公司(http://www.ayxdmy.com/


Copyright 2010-2017 www.ayxdmy.com, All Rights Reserved 湖南銀河電氣有限公司 版權所有 湘ICP備09002592號-5
中文字幕在线观看